EasyManua.ls Logo

Sencotel Granitore 1 - Page 27

Sencotel Granitore 1
Print Icon
To Next Page IconTo Next Page
To Next Page IconTo Next Page
To Previous Page IconTo Previous Page
To Previous Page IconTo Previous Page
Loading...
SL310005700 Ed.00 - 04-2011 - 25 _IT-
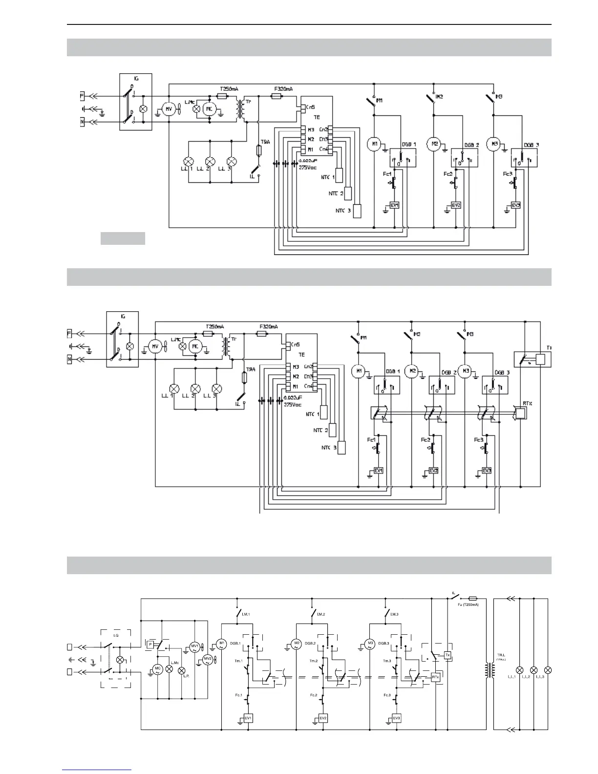
SCHEMI ELETTRICI DI PRINCIPIO (GRANITORE 3FF) / 230V
I
0
III IIII
I
I
I
0
0
I
0
I
I
0
F
N
SCHEMI ELETTRICI DI PRINCIPIO (GRANITORE 3 CON TERMOSTATO)
SCHEMI ELETTRICI DI PRINCIPIO (GRANITORE 3 CON TERMOSTATO + TIMER)
230 Volt

Table of Contents