EasyManua.ls Logo

Sencotel Granitore 1 - Page 28

Sencotel Granitore 1
Print Icon
To Next Page IconTo Next Page
To Next Page IconTo Next Page
To Previous Page IconTo Previous Page
To Previous Page IconTo Previous Page
Loading...
- 26 _IT- SL310005700 Ed.00 - 04-2011
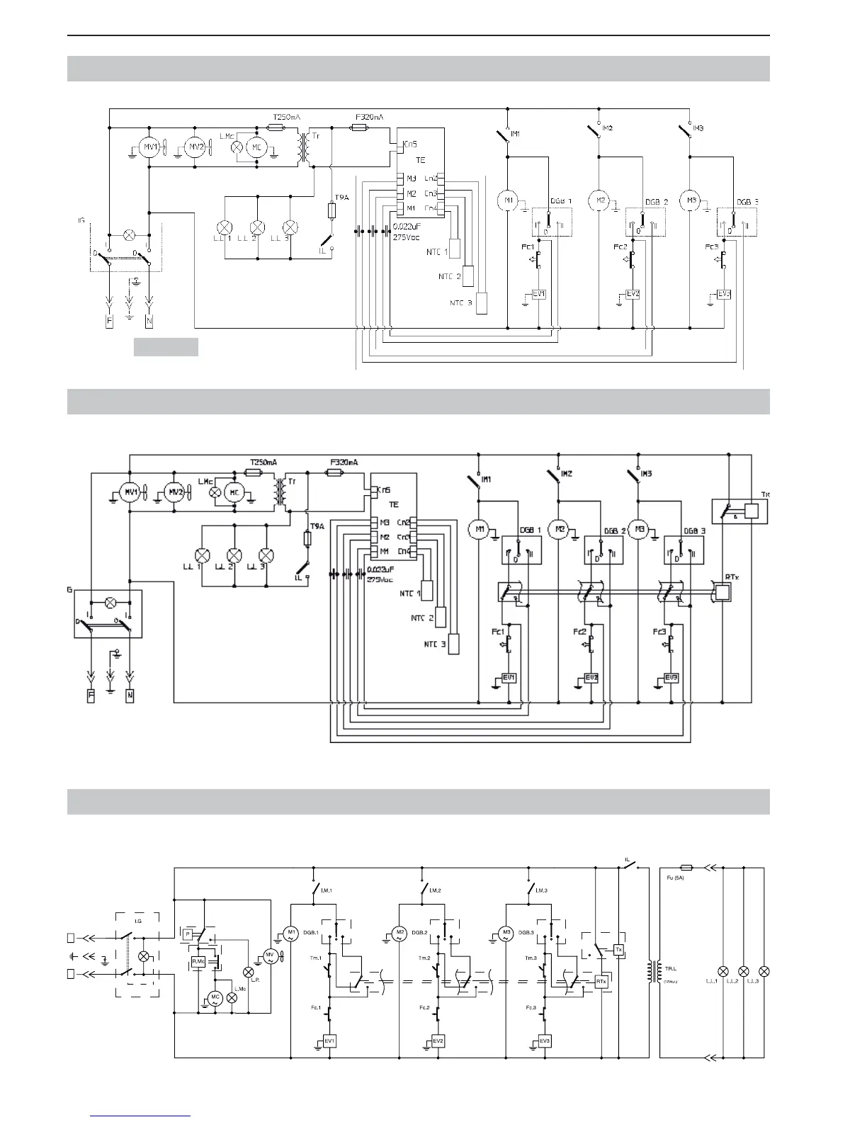
SCHEMI ELETTRICI DI PRINCIPIO (GRANITORE 3) / 115V
N
F
0
I
I
0
I
0
0
I
I
I
II IIII I
0
I
SCHEMI ELETTRICI DI PRINCIPIO (GRANITORE 3 FF CON TERMOSTATO)
SCHEMI ELETTRICI DI PRINCIPIO (GRANITORE 3 FF CON TERMOSTATO + TIMER)
230 Volt

Table of Contents