EasyManua.ls Logo

Sencotel Granitore 1 - Page 55

Sencotel Granitore 1
Print Icon
To Next Page IconTo Next Page
To Next Page IconTo Next Page
To Previous Page IconTo Previous Page
To Previous Page IconTo Previous Page
Loading...
SL310005700 Ed.00 - 04-2011 - 25 _ES-
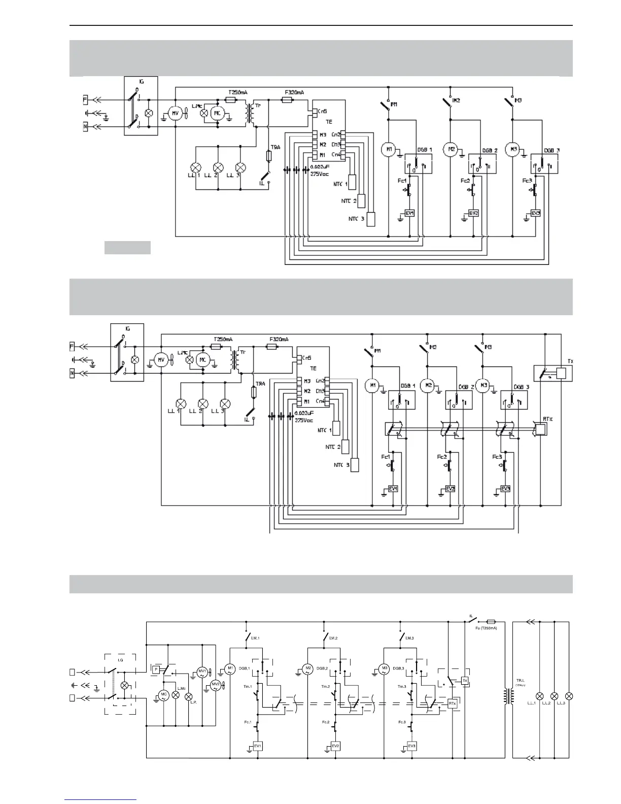
ESQUEMAS ELÉCTRICOS NO ESPECIFICADOS (
GRANIZADORA
3FF) / 230V
I
0
III IIII
I
I
I
0
0
I
0
I
I
0
F
N
ESQUEMAS ELÉCTRICOS NO ESPECIFICADOS
(GRANIZADORA 3 CON TERMOSTATO ELECTRÓNICO)
ESQUEMAS ELÉCTRICOS NO ESPECIFICADOS
(GRANIZADORA 3 CON TERMOSTATO ELECTRÓNICO + TEMPORIZADOR)
230 Volt

Table of Contents