EasyManua.ls Logo

Sencotel Granitore 1 - Page 56

Sencotel Granitore 1
Print Icon
To Next Page IconTo Next Page
To Next Page IconTo Next Page
To Previous Page IconTo Previous Page
To Previous Page IconTo Previous Page
Loading...
- 26 _ES- SL310005700 Ed.00 - 04-2011
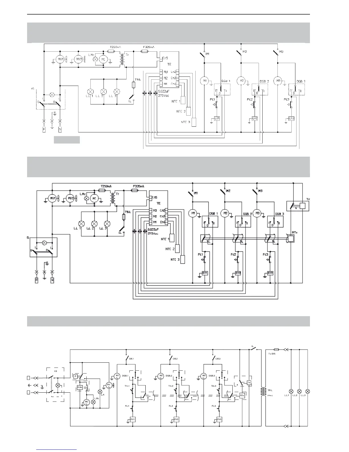
ESQUEMAS ELÉCTRICOS NO ESPECIFICADOS (
GRANIZADORA
3) / 115V
N
F
0
I
I
0
I
0
0
I
I
I
II IIII I
0
I
ESQUEMAS ELÉCTRICOS NO ESPECIFICADOS
(GRANIZADORA 3FF CON TERMOSTATO ELECTRÓNICO)
ESQUEMAS ELÉCTRICOS NO ESPECIFICADOS
(GRANIZADORA 3FF CON TERMOSTATO ELECTRÓNICO + TEMPORIZADOR)
230 Volt

Table of Contents