EasyManua.ls Logo

Sencotel Granitore 1 - Granitore 3 Wiring Diagrams

Sencotel Granitore 1
Print Icon
To Next Page IconTo Next Page
To Next Page IconTo Next Page
To Previous Page IconTo Previous Page
To Previous Page IconTo Previous Page
Loading...
SL320005700 Ed.00 - 04-2011 - 25 _EN-
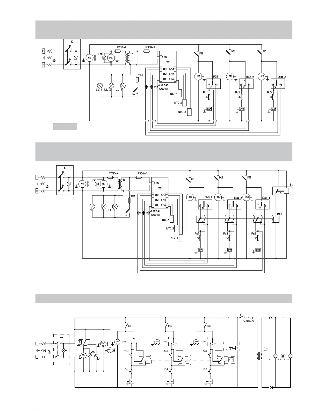
BASIC WIRING DIAGRAMS (GRANITORE 3FF) / 230V
I
0
III IIII
I
I
I
0
0
I
0
I
I
0
F
N
BASIC WIRING DIAGRAMS
(GRANITA MAKER 3 WITH ELECTRONIC THERMOSTAT)
BASIC WIRING DIAGRAMS
(GRANITA MAKER 3 WITH ELECTRONIC THERMOSTAT +TIMER)
230 Volt

Table of Contents