EasyManua.ls Logo

Sencotel Granitore 1 - Granita Maker 3 Wiring Diagrams

Sencotel Granitore 1
Print Icon
To Next Page IconTo Next Page
To Next Page IconTo Next Page
To Previous Page IconTo Previous Page
To Previous Page IconTo Previous Page
Loading...
- 26 _EN- SL320005700 Ed.00 - 04-2011
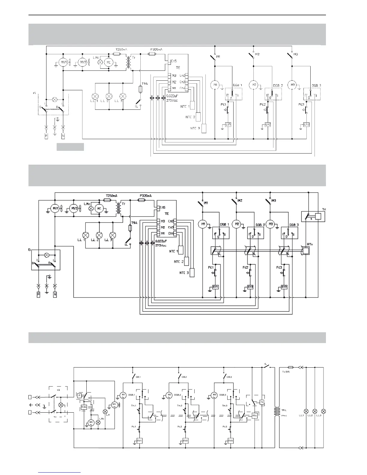
BASIC WIRING DIAGRAMS (GRANITORE 3) / 115V
N
F
0
I
I
0
I
0
0
I
I
I
II IIII I
0
I
BASIC WIRING DIAGRAMS
(GRANITA MAKER 3 FF WITH ELECTRONIC THERMOSTAT)
BASIC WIRING DIAGRAMS
(GRANITA MAKER 3 FF WITH ELECTRONIC THERMOSTAT +TIMER)
230 Volt

Table of Contents