EasyManua.ls Logo

Sensitron SMART 3 - Span Calibration (Standard Gas)

Sensitron SMART 3
14 pages
Print Icon
To Next Page IconTo Next Page
To Next Page IconTo Next Page
To Previous Page IconTo Previous Page
To Previous Page IconTo Previous Page
Loading...
MTEX2082 rev3.1 04/09/2019 Pag. 9 di 14
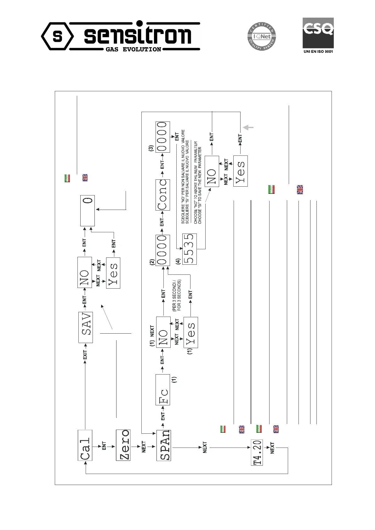
3.4 Taratura dello SPAN
3.4 SPAN adjustment
P
e
r
e
s
e
g
u
i
r
e
l
a
t
a
r
a
t
u
r
a
d
e
l
l
o
S
P
A
N
s
e
r
v
e
l
a
b
o
m
b
o
l
a
d
i
g
a
s
c
a
m
p
i
o
n
e
.
P
e
r
i
n
i
z
i
a
r
e
l
a
T
a
r
a
t
u
r
a
d
e
l
r
i
v
e
l
a
t
o
r
e
è
i
n
d
i
s
p
e
n
s
a
b
i
l
e
e
s
s
e
r
e
i
n
a
r
i
a
p
u
l
i
t
a
.
(
I
n
o
r
d
e
r
t
o
c
a
r
r
y
o
u
t
t
h
e
S
P
A
N
c
a
l
i
b
r
a
t
i
o
n
a
s
a
m
p
l
e
g
a
s
c
y
l
i
n
d
e
r
i
s
r
e
q
u
i
r
e
d
.
P
e
r
f
o
r
m
t
h
e
d
e
t
e
c
t
o
r
c
a
l
i
b
r
a
t
i
o
n
i
n
f
r
e
s
h
a
i
r
o
n
l
y
)
(
P
E
R
3
S
E
C
O
N
D
I
/
F
O
R
3
S
E
C
O
N
D
S
)
(
1
)
F
c
F
c
(
2
)
s
i
g
n
i
f
i
c
a
F
a
t
t
o
r
e
d
i
c
o
n
v
e
r
s
i
o
n
e
.
S
c
e
g
l
i
e
r
e
S
I
p
e
r
p
r
o
v
a
r
e
i
l
r
i
v
e
l
a
t
o
r
e
c
o
n
i
l
g
a
s
d
i
c
a
l
i
b
r
a
z
i
o
n
e
c
h
e
è
i
l
m
e
d
e
s
i
m
o
p
e
r
c
u
i
i
l
r
i
v
e
l
a
t
o
r
e
è
t
a
r
a
t
o
.
P
e
r
e
s
e
m
p
i
o
M
e
t
a
n
o
c
o
n
M
e
t
a
n
o
,
B
u
t
a
n
o
c
o
n
B
u
t
a
n
o
,
M
o
n
o
s
s
i
d
o
d
i
C
a
r
b
o
n
i
o
c
o
n
M
o
n
o
s
s
i
d
o
d
i
C
a
r
b
o
n
i
o
e
c
c
.
S
c
e
g
l
i
e
r
e
N
O
q
u
a
n
d
o
s
i
d
e
v
e
t
e
s
t
a
r
e
i
l
r
i
v
e
l
a
t
o
r
e
c
o
n
u
n
g
a
s
d
i
r
i
f
e
r
i
m
e
n
t
o
c
h
e
è
d
i
v
e
r
s
o
d
a
q
u
e
l
l
o
p
e
r
c
u
i
i
l
r
i
v
e
l
a
t
o
r
e
è
s
t
a
t
o
t
a
r
a
t
o
.
P
e
r
e
s
e
m
p
i
o
A
c
e
t
i
l
e
n
e
t
e
s
t
a
t
o
c
o
n
I
d
r
o
g
e
n
o
,
X
i
l
o
l
o
c
o
n
M
e
t
a
n
o
,
A
l
c
o
l
E
t
i
l
i
c
o
c
o
n
M
e
t
a
n
o
e
c
c
.
m
e
a
n
s
R
e
l
a
t
i
v
e
R
e
s
p
o
n
s
e
c
o
e
f
f
i
c
e
n
t
.
C
h
o
o
s
e
Y
E
S
t
o
t
e
s
t
t
h
e
d
e
t
e
c
t
o
r
w
i
t
h
t
h
e
s
a
m
e
g
a
s
f
o
r
w
h
i
c
h
t
h
e
d
e
t
e
c
t
o
r
i
s
h
a
s
b
e
e
n
m
a
n
u
f
a
c
t
u
r
e
d
.
F
o
r
i
s
t
a
n
c
e
M
e
t
a
n
e
w
i
t
h
M
e
t
a
n
e
,
B
u
t
a
n
e
w
i
t
h
B
u
t
a
n
e
,
C
a
r
b
o
n
M
o
n
o
x
i
d
e
w
i
t
h
C
a
r
b
o
n
M
o
n
o
x
i
d
e
e
t
c
.
C
h
o
o
s
e
N
O
t
o
t
e
s
t
t
h
e
d
e
t
e
c
t
o
r
w
i
t
h
a
d
i
f
f
e
r
e
n
t
t
h
a
n
t
h
e
t
h
e
o
n
e
f
o
r
t
h
e
d
e
t
e
c
t
o
r
h
a
s
b
e
e
n
m
a
n
u
f
a
c
t
u
r
e
d
f
o
r
.
A
q
u
e
s
t
o
p
u
n
t
o
,
g
a
s
A
p
p
l
i
c
a
r
e
g
a
s
a
l
r
i
v
e
l
a
t
o
r
e
e
,
t
r
a
s
c
o
r
s
o
i
l
t
e
m
p
o
n
e
c
e
s
s
a
r
i
o
a
l
g
a
s
p
e
r
i
n
t
e
r
e
s
s
a
r
e
c
o
m
p
l
e
t
a
m
e
n
t
e
i
l
r
i
v
e
l
a
t
o
r
e
(
n
o
r
m
a
l
m
e
n
t
e
d
a
i
3
0
a
i
4
5
s
e
c
o
n
d
i
,
r
i
f
e
r
i
r
s
i
a
l
l
e
i
s
t
r
u
z
i
o
n
i
a
l
l
e
g
a
t
e
a
l
r
i
v
e
l
a
t
o
r
e
e
d
a
l
k
i
t
d
i
c
a
l
i
b
r
a
z
i
o
n
e
u
t
i
l
i
z
z
a
t
i
)
,
p
r
e
m
e
r
e
E
N
T
p
e
r
f
a
r
a
c
q
u
i
s
i
r
e
i
l
v
a
l
o
r
e
d
e
l
l
a
c
o
n
c
e
n
t
r
a
z
i
o
n
e
d
i
g
a
s
a
l
r
i
v
e
l
a
t
o
r
e
.
L
e
t
t
h
e
g
a
s
f
l
o
w
t
o
t
h
e
d
e
t
e
c
t
o
r
a
n
d
,
o
n
c
e
t
h
e
t
i
m
e
n
e
c
e
s
s
a
r
y
i
t
s
d
e
t
e
c
t
i
o
n
i
s
d
u
e
(
u
s
u
a
l
l
y
f
r
o
m
3
0
t
o
4
5
s
e
c
o
n
d
s
,
r
e
f
e
r
t
o
t
h
e
i
n
s
t
r
u
c
t
i
o
n
s
a
t
t
a
c
h
e
d
t
o
t
h
e
d
e
t
e
c
t
o
r
a
n
d
t
h
e
c
a
l
i
b
r
a
t
i
o
n
k
i
t
u
s
e
d
)
,
p
r
e
s
s
O
K
t
o
a
l
l
o
w
a
c
q
u
i
s
i
t
i
o
n
o
f
t
h
e
g
a
s
c
o
n
c
e
n
t
r
a
t
i
o
n
v
a
l
u
e
t
o
t
h
e
d
e
t
e
c
t
o
r
.
I
n
s
e
r
i
r
e
i
l
v
a
l
o
r
e
d
e
l
l
a
c
o
n
c
e
n
t
r
a
z
i
o
n
e
d
i
g
a
s
c
a
m
p
i
o
n
e
d
e
l
l
a
b
o
m
b
o
l
a
c
h
e
s
i
è
a
p
p
l
i
c
a
t
a
a
l
r
i
v
e
l
a
t
o
r
e
(
e
s
.
5
0
)
,
t
r
a
m
i
t
e
i
t
a
s
t
i
N
E
X
T
e
E
X
I
T
e
p
r
e
m
e
r
e
E
N
T
.
I
n
s
e
r
t
t
h
e
c
o
n
c
e
n
t
r
a
t
i
o
n
v
a
l
u
e
o
f
t
h
e
s
a
m
p
l
e
g
a
s
b
o
t
t
l
e
t
h
a
t
w
i
l
l
b
e
a
p
p
l
i
e
d
t
o
t
h
e
d
e
t
e
c
t
o
r
(
e
.
g
.
5
0
)
,
b
y
p
r
e
s
s
N
E
X
T
a
n
d
E
X
I
T
a
n
d
p
r
e
s
s
E
N
T
.
(
4
)
C
o
e
f
f
i
c
i
e
n
t
e
d
i
t
a
r
a
t
u
r
a
i
n
p
u
n
t
i
(
n
o
n
t
e
n
e
r
e
i
n
c
o
n
s
i
d
e
r
a
z
i
o
n
e
)
.
A
d
j
u
s
t
e
m
e
n
t
c
o
e
f
f
i
c
e
n
t
i
n
p
o
i
n
t
s
,
(
n
o
t
t
o
b
e
u
s
e
d
)
(
3
)
(
P
E
R
3
S
E
C
O
N
D
I
/
F
O
R
3
S
E
C
O
N
D
S
)
S
C
E
G
L
I
E
R
E
N
O
P
E
R
N
O
N
S
A
L
V
A
R
E
I
L
N
U
O
V
O
V
A
L
O
R
E
S
C
E
G
L
I
E
R
E
Y
E
S
(
S
I
)
P
E
R
S
A
L
V
A
R
E
L
E
N
U
O
V
E
I
M
P
O
S
T
A
Z
I
O
N
I
.
C
H
O
O
S
E
N
O
T
O
A
B
O
R
T
T
H
E
N
E
W
P
A
R
A
M
E
T
E
R
C
H
O
O
S
E
Y
E
S
T
O
S
A
V
E
T
H
E
N
E
W
P
A
R
A
M
E
T
E
R
R
I
T
O
R
N
O
A
L
N
O
R
M
A
L
E
F
U
N
Z
I
O
N
A
M
E
N
T
O
.
C
O
M
E
B
A
C
K
T
O
T
H
E
N
O
R
M
A
L
O
P
E
R
A
T
I
O
N
M
O
D
E
T
A
R
A
T
U
R
A
D
E
L
L
O
S
P
A
N
/
S
P
A
N
A
D
J
U
S
T
E
M
E
N
T
A
q
u
e
s
t
o
p
u
n
t
o
s
e
c
o
m
p
a
r
e
E
T
A
R
(
e
r
r
o
r
e
d
i
t
a
r
a
t
u
r
a
)
,
p
r
e
m
e
r
e
E
N
T
p
e
r
c
o
n
t
i
n
u
a
r
e
n
e
l
m
e
n
ù
.
I
l
v
a
l
o
r
e
d
i
S
P
A
N
n
o
n
è
s
t
a
t
o
a
c
q
u
i
s
i
t
o
p
e
r
:
g
u
a
s
t
o
d
e
l
s
e
n
s
o
r
e
,
e
r
r
a
t
a
a
p
p
l
i
c
a
z
i
o
n
e
d
e
l
g
a
s
a
l
s
e
n
s
o
r
e
o
p
p
u
r
e
e
r
r
a
t
o
v
a
l
o
r
e
d
i
c
o
n
c
e
n
t
r
a
z
i
o
n
e
d
e
l
g
a
s
i
n
s
e
r
i
t
o
.
I
f
a
t
t
h
i
s
p
o
i
n
t
E
T
A
R
(
a
d
j
u
s
t
e
m
e
n
t
e
r
r
o
r
)
a
p
p
e
a
r
,
p
r
e
s
s
E
N
T
f
o
r
g
o
o
n
.
T
h
e
S
P
A
N
v
a
l
u
e
i
t
h
a
s
n
o
t
b
e
e
n
a
q
u
i
r
e
d
f
o
r
:
s
e
n
s
o
r
f
a
i
l
u
r
e
,
e
r
r
o
r
t
o
t
e
s
t
t
h
e
s
e
n
s
o
r
i
n
g
a
s
o
r
e
r
r
o
r
t
o
i
n
p
u
t
t
h
e
a
d
j
u
s
t
e
m
e
n
t
g
a
s
v
a
l
u
e
.
N
o
n
v
a
l
i
d
a
p
e
r
r
i
v
e
l
a
t
o
r
e
d
i
O
s
s
i
g
e
n
o
/
N
o
t
f
o
r
O
x
y
g
e
n
d
e
t
e
c
t
o
r

Other manuals for Sensitron SMART 3

Related product manuals