EasyManua.ls Logo

SERV-WARE SECO-2201 - Electrical Diagram

Default Icon
20 pages
Print Icon
To Next Page IconTo Next Page
To Next Page IconTo Next Page
To Previous Page IconTo Previous Page
To Previous Page IconTo Previous Page
Loading...
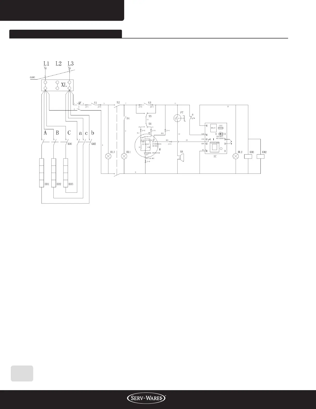
1PH
XL -------------- Connecting Terminal
KM1/KM2 --------- AC Contactor
EH1/EH2/EH3 ------Electric Heating Tubes
QF -------------- Air Switch
S1 --------------- Protection Switch of Electrical Box
S2 --------------- Power Switch
S3 --------------- Door Control
S4 -------------- Interior Light Switch
S5 --------------- Cooling Switch
S6 --------------- Fan Switch (HI / LOW)
HL1 -------------- Interior Light
HL2/HL3 ---------- Indicator Light
M --------------- Motor
PT -------------- Timer
HA -------------- Buzzer
IC --------------- Electronic Thermostat
θ ---------------- Temperature Limiter
www.servware.com
800•7685953
Service, Installation & Care Manual
15
ELECTRICAL DIAGRAM