EasyManua.ls Logo

SERV-WARE SGR-6B-C - Operation

SERV-WARE SGR-6B-C
14 pages
Print Icon
To Next Page IconTo Next Page
To Next Page IconTo Next Page
To Previous Page IconTo Previous Page
To Previous Page IconTo Previous Page
Loading...
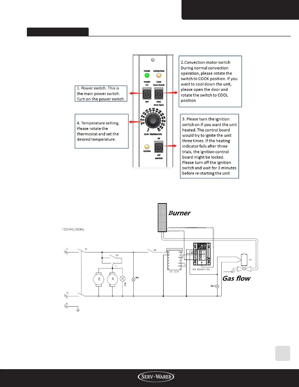
HL1 ...................... Power indicator
HL2 ...................... Motor indicator
HL3 ...................... Ignition indicator
S1 ........................ Power on/off switch
S2 ........................ COOK/COOL switch
S3 ........................ Micro switch
S4 ........................ Gas ignition switch
IC1 ....................... Digital thermostat
IC2 ....................... Ignition module
YV ........................ Solenoid valve
M1/M2 .................. Motor
www.servware.com
800•7685953
Service, Installation & Care Manual
6
OPERATION
CONVECTION OVEN:
WIRING DIAGRAM:

Related product manuals