EasyManua.ls Logo

Seton W-90E - Page 44

Default Icon
64 pages
Print Icon
To Next Page IconTo Next Page
To Next Page IconTo Next Page
To Previous Page IconTo Previous Page
To Previous Page IconTo Previous Page
Loading...
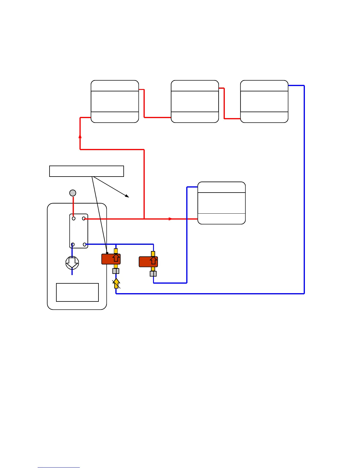
WOOD BOILER INSTRUCTIONS Page 44 Copyright © 2011 Seton Wood Boilers all rights reserved
SETON
BOILER
TACO 0011 OR 008 BRASS
UNIT HEATER UNIT HEATER UNIT HEATER
UNIT HEATER
PLUMBING WOOD BOILER TO UNIT HEATERS
HEAT
EXCHANGER