EasyManua.ls Logo

SFE 95-STD1 - Page 95

SFE 95-STD1
Print Icon
To Next Page IconTo Next Page
To Next Page IconTo Next Page
To Previous Page IconTo Previous Page
To Previous Page IconTo Previous Page
Loading...
93
SFE
CONNESSIONI SCHEDA ELETTRONICA 7930-04
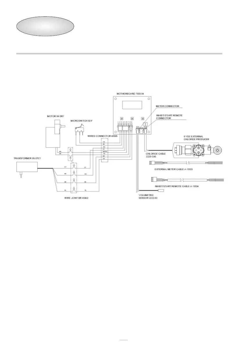
WIRING DIAGRAM 7930-04 /
VERKABELUNGSZEICHNUNG 7930-04 /
ESQUEMA DE CABLEADO 7930-04 /
PLAN DE CABLAGE 7930-04

Table of Contents

Related product manuals