EasyManua.ls Logo

Sharp 32U-S600 - Page 30

Sharp 32U-S600
60 pages
Print Icon
To Next Page IconTo Next Page
To Next Page IconTo Next Page
To Previous Page IconTo Previous Page
To Previous Page IconTo Previous Page
Loading...
32U-S600
32U-S710
87109654321
A
B
C
D
E
F
G
H
30
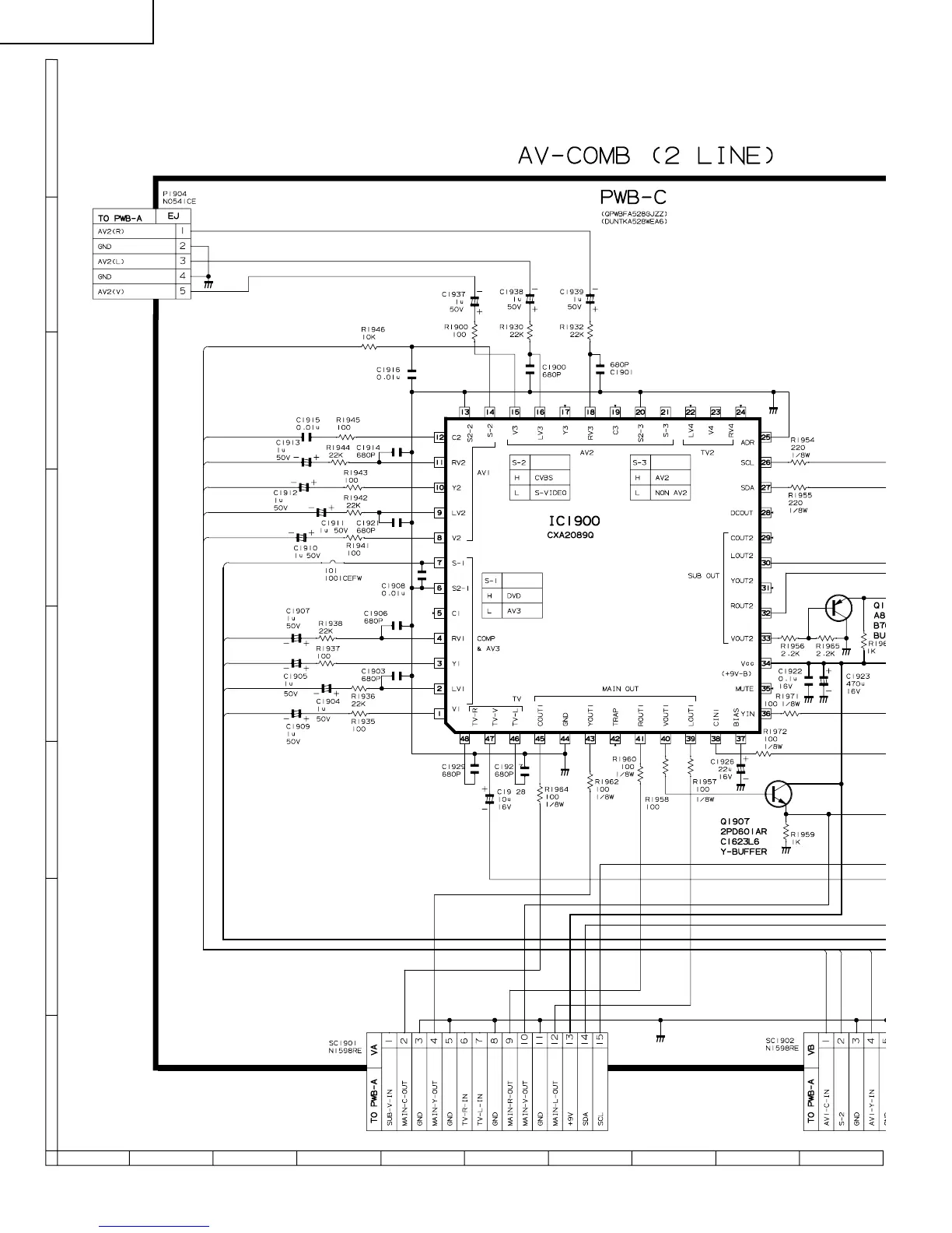
MODEL 32U-S600 SCHEMATIC DIAGRAM: AV Unit

Related product manuals