EasyManua.ls Logo

Sharp AR-M201 - D. Operation Pwb (Ar-M200;M)

Sharp AR-M201
176 pages
Print Icon
To Next Page IconTo Next Page
To Next Page IconTo Next Page
To Previous Page IconTo Previous Page
To Previous Page IconTo Previous Page
Loading...
AR-203E/5420/M200/M201 ELECTRICAL SECTION 13 - 38
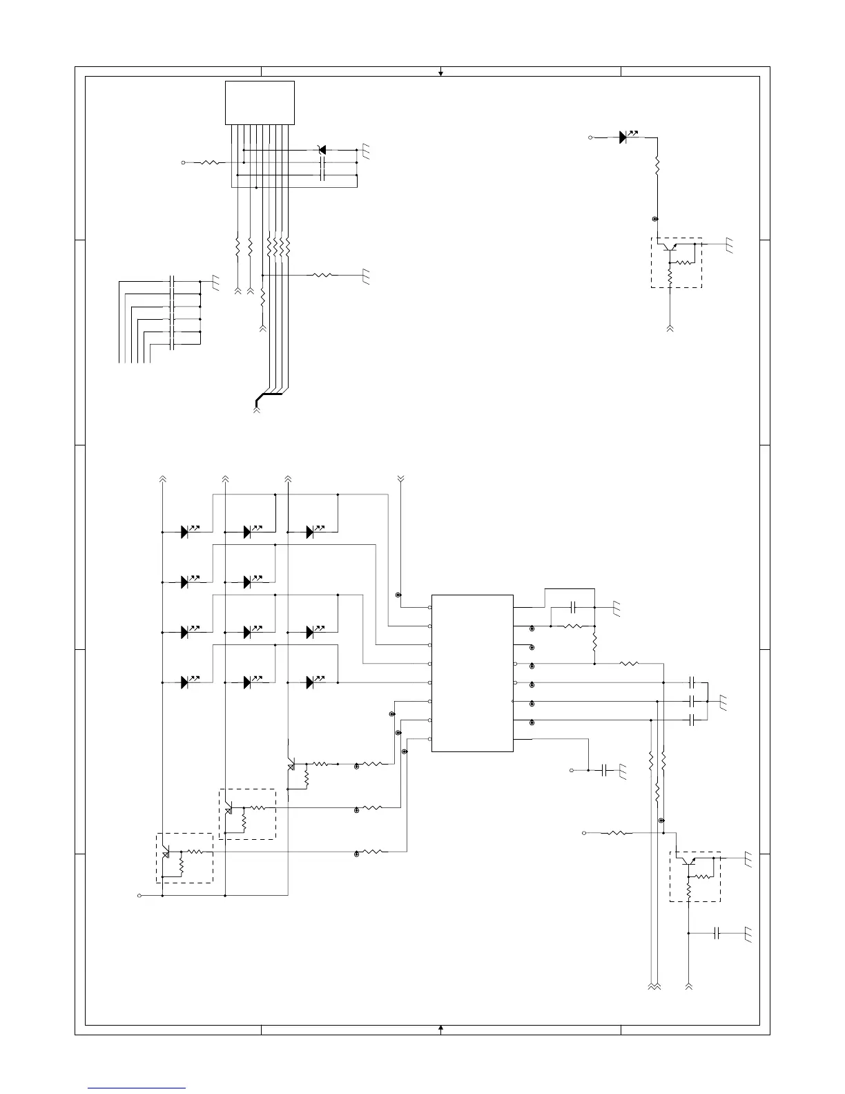
D. OPERATION PWB (AR-M200/M201)
LCDRS#
LCDDB7#
LCDDB4#
LCDDB6#
LCDRS#
LCDE#
LCDE#
LCDDB7#
LCDDB4#
LCDDB6#
LCDDB5#
LCDDB6
LCDDB7
LCDDB4
LCDDB5#
LCDDB5
5VEN
5VEN
3.3V
3.3V
5V
LED_V2
OP-CLK
OP-DATA
OP-LATCH
LED_V3
LED_V1
DATA1
LCDE
LCDRS
LCDDB[7..4]
LCDCONT
PSL
To LCD
FAXSCAN
COPY
PRINT SPFL
HPL SJAL
BPL
CS1L
CS2L
RPL
PSL
R333 100JR333 100J
TP14TP14
LTL-1LHG-002A
LED308
LTL-1LHG-002A
LED308
IC304
TB62725AF
IC304
TB62725AF
/OUT2
7
/OUT3
8
/OUT4
9
/OUT5
10
/OUT6
11
/OUT1
6
/OUT0
5
VCC
16
/ENABLE
13
/LATCH
4
S-IN
2
CLOCK
3
S-OUT
14
GND
1
/OUT7
12
R-EXT
15
TP1TP1
LTL-1LHG-002A
LED309
LTL-1LHG-002A
LED309
C323
open
C323
open
Q307
KRC106S
Q307
KRC106S
1
2
3
TP3TP3
TP5TP5
R302 100JR302 100J
C329
100p
C329
100p
R305
0J
R305
0J
R344
100J
R344
100J
LTL-1LHG-002A
LED311
LTL-1LHG-002A
LED311
TP15TP15
TP6TP6
C330
100p
C330
100p
LTL-1LHG-002A
LED301
LTL-1LHG-002A
LED301
R332 100JR332 100J
LTL-1LHG-002A
LED306
LTL-1LHG-002A
LED306
TP2TP2
R335 0JR335 0J
C332
100p
C332
100p
R325
0J
R325
0J
R304 100JR304 100J
R301 470JR301 470J
C322
0.1u
C322
0.1u
LTL-1LHG-002A
LED310
LTL-1LHG-002A
LED310
R323
10KJ
R323
10KJ
C306
1000p
C306
1000p
OPEN
LED303
OPEN
LED303
R331 100JR331 100J
TP10TP10
LTL-1LHG-002A
LED302
LTL-1LHG-002A
LED302
IC301
GPM181C0
IC301
GPM181C0
GND
10
V5
9
VDD
8
RS
7
R/W
6
E
5
DB4
4
DB5
3
DB6
2
DB7
1
R327
820J
R327
820J
C333 0.1uC333 0.1u
Q305
KRA225S
Q305
KRA225S
3
2
1
TP9TP9
LTL-1LHG-002A
LED307
LTL-1LHG-002A
LED307
Q303
KRA225S
3
2
1
R306
OPEN
R306
OPEN
TP13TP13
C331
100p
C331
100p
R330 100JR330 100J
Q304
KRA225S
3
2
1
TP11TP11
LTL-1LHEE-002A
LED304
LTL-1LHEE-002A
LED304
LTL-1LHG-002A
LED305
LTL-1LHG-002A
LED305
TP8TP8
TP4TP4
R334 100JR334 100J
R324
0J
R324
0J
C305
1000p
C305
1000p
C327
100p
C327
100p
R303 100JR303 100J
LTL-1LHG-002A
LED314
LTL-1LHG-002A
LED314
C308
Open
C308
Open
Q302
KRC106S
Q302
KRC106S
1
2
3
D304
ZENER_3.3V
D304
ZENER_3.3V
R329 100JR329 100J
C307
open
C307
open
R328
10kJ
R328
10kJ
C328
100p
C328
100p
TP12TP12
C338 0.1uC338 0.1u
TP7TP7
R326
0J
R326
0J
A
A
B
B
C
C
D
D
E
E
4 4
3 3
2 2
1 1
OPERATION PWB (LED/LCD section) (AR-M200/M201) 1/3

Table of Contents

Other manuals for Sharp AR-M201

Related product manuals