EasyManua.ls Logo

Sharp CD-BA120 - Advanced Features and System Handling; Headphone Connection and Usage; Microcomputer Reset Procedure; Safe Unit Transportation

Sharp CD-BA120
60 pages
Print Icon
To Next Page IconTo Next Page
To Next Page IconTo Next Page
To Previous Page IconTo Previous Page
To Previous Page IconTo Previous Page
Loading...
CD-BA120/125
– 16 –
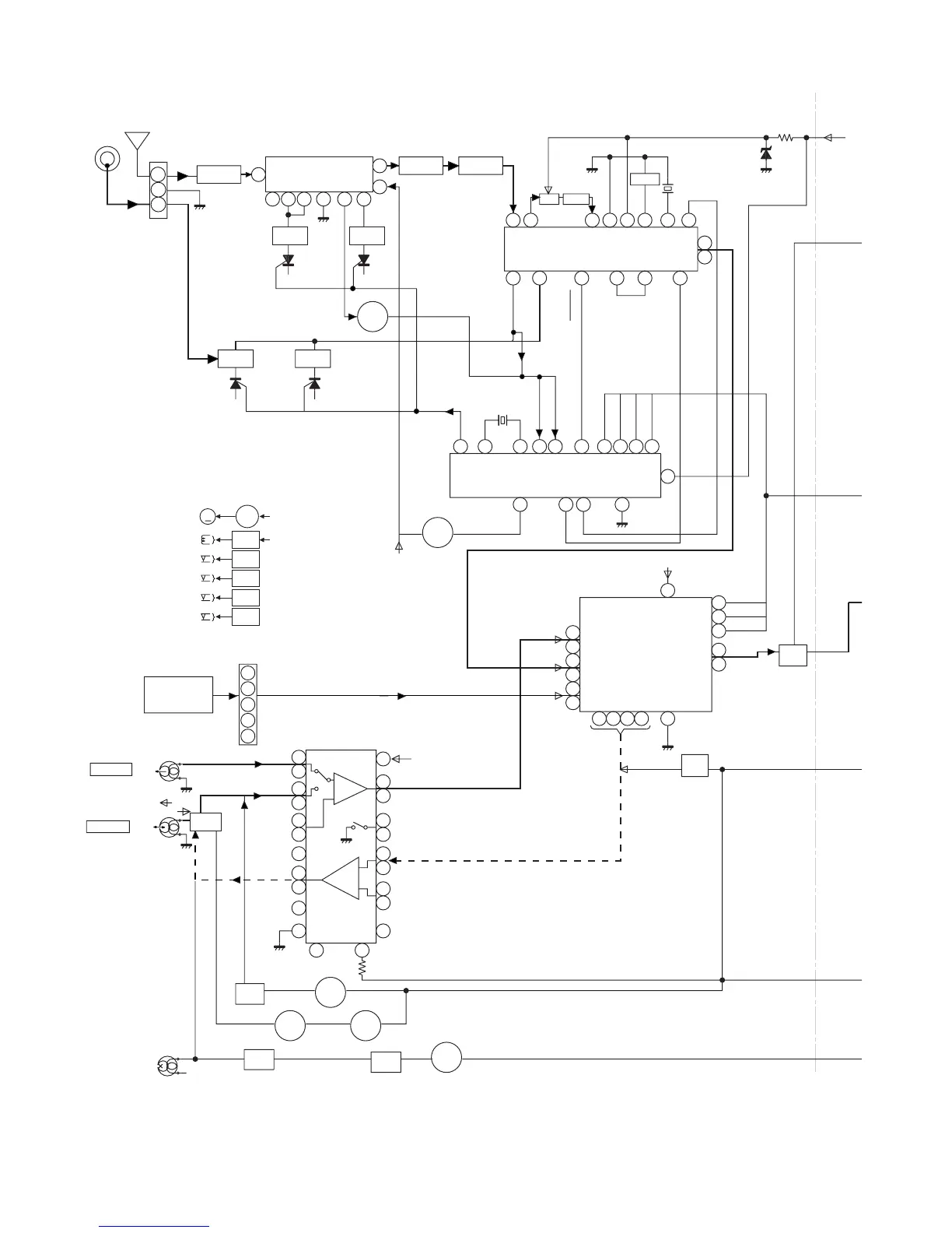
Figure 16 BLOCK DIAGRAM (2/3)
REC/PLAY
CL
CE
DI
SYSTEM
MUTE
Q601
Q602
DO
CL
DI
CE
MO/ST
+B2
SWITCHING
+B2
FM/AM
IC302
LC72131
PLL(TUNER)
FM/AM
OUT
+B4
L
R
BIAS
T1/T2
MUTING
Q110
Q111
P.B.
REC
AC BIAS
L
L
R
R
R
L
TAPE
TUNER
CD
PB
CNS402
FROM
CD SECTION
CNP11
ERASE
HEAD
SWITCHING
SWITCHING
SWITCHING
BIAS
Q102
Q103
Q101
Q113
SWITCHING
Q112
L103
OSC
BIAS
Q114
L104
Q108
Q109
REC PB HEAD
TAPE 2
PB HEAD
TAPE 1
R-CH
L-CH
R-CH
L-CH
IC601
LC75341
AUDIO PROCESSOR
H/N
P.B
+B2
R
L
R
L REC
L NF
R NF
ALC
REC
T1/T2
T1/T2
NOR/
HIGH
REF
R REC
L REC
POP
REDUCE
R NF
L NF
SWITCHING
Q104~
Q107
L(T2)
R(T2)
R(T1)
L(T1)
IC101
AN7345K
PLAYBACK AND RECORD
/PLAYBACK AMP.
R
L
FM/AM
MPXIN
STEREO
AM RF IN
AM OSC IN
FM
Q360
VT
FM OSC
OSC BUFF
OSC
X352
4.5MHZ
AM BAND
COVERAGE
AM TRACKING
T303
Q302
X351
456KHz
MO/ST
VCO
FM
DET
VCC
GND
AM IF
CF351
AM IF
IC303
LA1832S
FM/AM IF MPX.
AM MIX
CF352
T351
FM RF
FM
OSC
L312
CF303
T302
FM IF
IC301
TA7358AP
FM FRONT END
BF301
CNP301
FM
AM
22
3
21
4
24
2
1
8
18
17
5
4
3
9
10
18
11
3
15
10
7
23
14
12
13
1
2
20
19
7
18
10
8
17
13
21
4
5
2
24
23
6
9
16
14
12
15
1
5
14
3
8
4
3
2
1
1
2
3
21
7
9
8
5
6
21
2
1
20
22
11
17
1615
9
6
5
7
13
14
12
15
16
23
4
7
FM
+B
4
T306
T301
17
Q708
+3B
+3B
M
Q704
Q705
IC701
54PIN
IC701
53PIN
IC701
56PIN
IC701
55PIN
TAPE
MOTOR
SOLENOID
T2 PLAY
T1 PLAY
R. PLAY
F. PLAY
MOTOR
DRIVER

Other manuals for Sharp CD-BA120

Related product manuals