EasyManua.ls Logo

Sharp CD-BA120 - Page 44

Sharp CD-BA120
60 pages
Print Icon
To Next Page IconTo Next Page
To Next Page IconTo Next Page
To Previous Page IconTo Previous Page
To Previous Page IconTo Previous Page
Loading...
CD-BA120/125
– 44 –
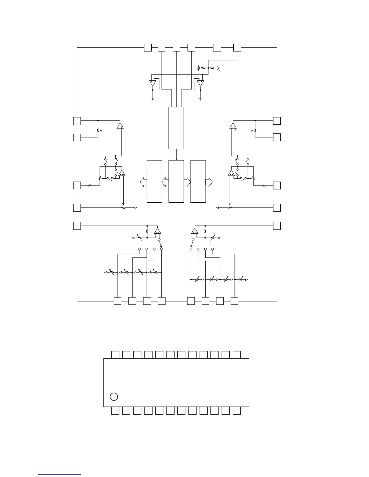
IC601 VHiLC75341/-1: Audio Processor (LC75341)
Figure 44 BLOCK DIAGRAM OF IC
19
20
21
222324
123
4
5
6
7
8
9
10 11 12 13 14 15 16
18
17
LVref
RVref
CONTROL
CIRCUIT
CONTROL
CIRCUIT
CONTROL
CIRCUIT
LOUT
LBASS
0.1uF
LIN
LSEL0
L4
L3
L2 L1
R1 R2
R3 R4
RSEL0
R1N
RTRELTRE
RBASS
0.1uF
ROUT
Yref
VDD
CL
DI
CE
YSS
CCB
INTERFACE
CD
Tuner
Tape
Video
24 23 22 21 20 19 18 17 16 15 14 13
123456789101112
LC75341
DI
CE
VSS
LOUT
LBASS
LTRE
LIN
LSEL0
L4
L3
L2
L1
CL
VDD
VREF
ROUT
RBASS
RTRB
RIN
RSEL0
R4
R3
R2
R1

Other manuals for Sharp CD-BA120

Related product manuals