EasyManua.ls Logo

Sharp CD-BK270W - Page 22

Sharp CD-BK270W
68 pages
Print Icon
To Next Page IconTo Next Page
To Next Page IconTo Next Page
To Previous Page IconTo Previous Page
To Previous Page IconTo Previous Page
Loading...
CD-BK250W/CD-BK2600W/CD-BK270W
– 22 –
A
B
C
D
E
F
G
H
1
23456
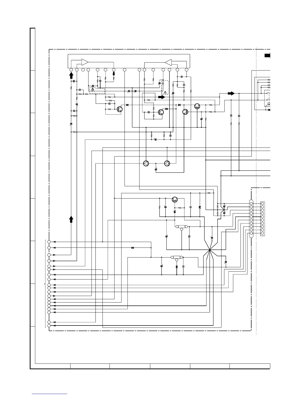
• NOTES ON SCHEMATIC DIAGRAM can be found on page 39.
Figure 22 SCHEMATIC DIAGRAM (3/11)
+B2
2
1
3
1
2
3
3
2
1
3
2
1
–15V
M_+12V
P_IN
GND(CD_GND)
R-CH
L-CH
A+10V
GND(D_GND)
GND(A_GND)
GND(M_GND)
VF1
VF2
–VP
SP_RLY
SP_DET
SW_5V
CD_+B
A_+B
GND(A_GND)
P20 1 - C, D
TO MAIN SECTION
8
9
6
5
4
3
2
7
1
10
1
7
2
3
4
5
6
9
8
10
15
14
13
121110
9
8
7
6
5
4 3 2
1
CH1
OUT
OUT
CH2
CH2
CH1
+
+
+VCC
–VCC
R-CH
L-CH
1
2
4
3
6
20
7
9
17
18
19
13
8
21
5
14
10
12
11
IC901
STK4029S
POWER AMP.
R934
1K
C938
820P
C936
15P
R930
100K
C932
0.001
R932
56K
C930
0.22/50
R938
56K
R936
820
C934
4.7/50
R940
1K
R948
0.22
(2W)
R946
0.22
(2W)
C942
0.22
R942
22K
C940
100/50
R944
100
R950
0.1(1W)
R952
1K
C948
0.022
R954
1.5K
Q902
KTC3199 GR
D912
DS1SS133
C946
10/50
C945
10/50
C941
100/50
R945
0.22(2W)
R943
100
R935
1K
R941
1K
C937
15P
C939
820P
R939
56K
R937
820
C935
4.7/50
R947
0.22(2W)
Q904
KTC3199 GR R956
56K
R955
56K
C952
0.047
(ML)
R958
4.7
C953
0.047
(ML)
R959
4.7
R988
R986
R981
R982
D914
DS1SS13
3
R949
0.1(1W)
C947
0.022
Q903
KTC3199 GR
R951
1K
R953
1.5K
Q905
KTC3199 GR
D911
DS1SS133
R931
100K
C931
0.22/50
R933
56K
C915
0.022
C916
22/50
R909
22K
ZD904
DZ130BSB
ZD905
DZ2.4BSB
R908
560
IC902
KTC2026
C920
47/25
IC903
KIA7810AP
IC903
KIA7810AP
VOLTAGE
REGULATOR
C918
0.1
(ML)
C907
2200/35
C970
6800/16
C921
0.1
(ML)
D916
DS1SS133
C923
47/25
C904
2200/63
C903
2200/63
R902
22K
R903
3.3K
CNS902
BI902
Q914
KTC3199
R901
22K
C949
47/50
Q908
KRA107 M
C969
3.3/50
Q907
KRC107 M
C933
0.001
D913
DS1SS133
IC904
KIA7805AP
IC904
KIA7805AP
CONSTANT VOLTAGE REGULATOR
R957
56K
D917
DS1N404S
+B
+B
+B
+B
+B
+B
+B
+B
+B
+B
+B
+B
+B
+B
+B
+B
-B
-B
-B

Other manuals for Sharp CD-BK270W

Related product manuals