EasyManua.ls Logo

Sharp CD-C250X BK - Page 42

Sharp CD-C250X BK
56 pages
Print Icon
To Next Page IconTo Next Page
To Next Page IconTo Next Page
To Previous Page IconTo Previous Page
To Previous Page IconTo Previous Page
Loading...
-----Pm-_
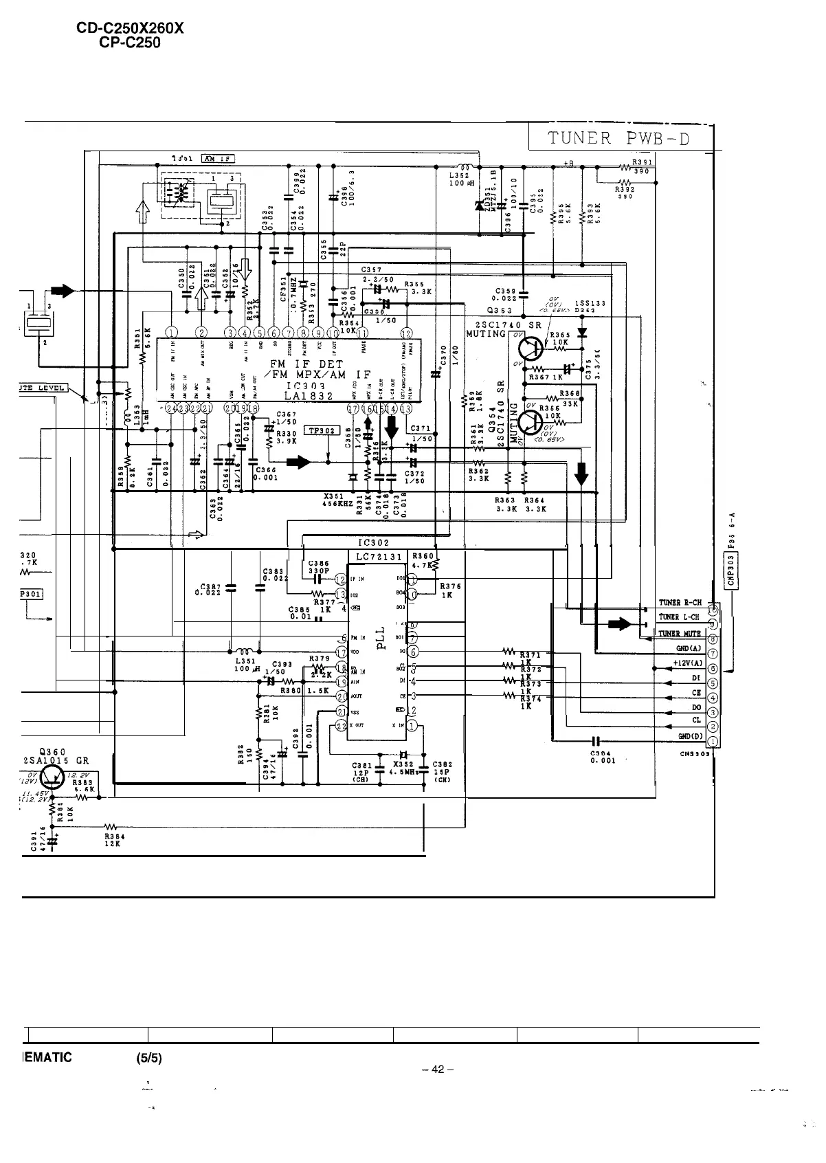
TUNER
PWB-D
-
_
_
-
/
I
LA1832
j
37.0
.7K
A&----
P301
z+
4
I
I
,
LC72131
K3601
I
C383
0.022
101
C387
0.023
:: ::
R376
801
IK
R377
C385
1K
4
So
ma
9
TUNBB
R-CH
0.01
,,
I,
5
MY"
em
8
nJNBR
I-CH
,
6
r!IH
a
'I\
*&,l
1..
"'
R371
CL
5
,*,
1K
.*.
R372
J
0'
4
..,
111
'.'
R373
4,
cc
3
,A,
1K
1"
R374
@Qz
1K
SWITCHING
9360
l FI
7 a 9
10
11
12
I
IEMATIC
DIAGRAM
(5/5)
-42-
I
._.
"
.-...
._
..I
-3
. .

Related product manuals