EasyManua.ls Logo

Sharp FO-4450 - Blocking Unwanted Faxes

Sharp FO-4450
170 pages
Print Icon
To Next Page IconTo Next Page
To Next Page IconTo Next Page
To Previous Page IconTo Previous Page
To Previous Page IconTo Previous Page
Loading...
FO-4450U/FO-CS1
( 3-3E)
( 9-3D)
( 9-4D)
(12-3E)
( 3-3E)
( 3-2E)
( 9-4D)
( 1-6H)( 2-1A)
( 3-1A)( 4-6A)
( 7-5C)(11-6A)
(12-2F)
( 1-6H)( 2-2A)
( 3-2A)( 4-6A)
( 7-4C)(11-6A)
(12-4D)(12-2D)
( 4-4A)(12-3E)
( 2-4A)( 3-3A)
( 4-4A)(12-3I)
( 2-4A)( 3-3A)
( 2-4A)
( 2-5A)
( 3-2F)
( 3-2E)
( 3-2E)
( 3-2E)
( 3-2E)
( 3-2E)
( 3-3E)
( 9-5B)
( 9-5B)
( 9-5D)
A3
A5
A1
A4
A2
D5
D6
D0
D3
D2
D7
D1
D4
1
2
1
2
1
2
1
2
VDD
38
VDD
50
VGG
71
VDD1
69
VDD1
63
VDD1
13
VDD1
57
VDD1
84
VDD1
92
MAVDD
26
VCORE
62
D0
87
D1
88
D2
89
D3
90
D4
91
D5
93
D6
94
D7
95
RS0
96
RS1
97
RS2
2
RS3
3
RS4
4
RD
7
WR
6
CS
5
SR4IN
21
M_RXOUT
46
IRQ
79
NC
17
NC
20
NC
39
NC
41
NC
48
POR
34
RESET
18
NC
54
NC
55
NC
60
SR4OUT
19
M_TXSIN
44
M_CLKIN
43
CLK_OUT
22
XTALI
85
XTALO
86
VSUB
52
VSS
16
VSS
53
VSS
65
VSS
80
VSS
99
RESERVED
1
TALK
37
RI
76
OH
49
RINGD
77
SPKR
27
TXD
11
RXD
67
RTS
78
CTS
12
RLSD
9
DTR
68
DSR
75
XTCLK
64
TDCLK
10
RESERVED
35
RESERVED
36
RESERVED
40
M_CNTRL_SIN
42
SR1IO
61
SLEEP
56
IA_SLEEP
70
M_STROBE
47
EYESYNC
23
EYECLK
24
M_SCK
45
EYEXY
74
GP00
81
RDCLK
8
YCLK
72
XCLK
73
TXA2
28
TXA1
29
RIN
32
VREF
30
VC
31
RESERVED
14
RESERVED
15
RESERVED
58
RESERVED
59
RESERVED
66
RESERVED
82
RESERVED
83
RESERVED
51
MAVSS
33
MAVSS
25
PLL_VDD
98
PLL_GND
100
1
2
VDD
16
VEE
7
VSS
8
INH
6
1
2
1
2
C365 0.1u
C322
0.1u
R580 56K
C72
N.M.
R510 68
C384 330p
TP202
R432 62K
C390 0.1u
R457 68
C369
0.1u/16V-K
CE13
22u/16V
Q115
RT1N436C
B
E
C
D105
1SS355
C64
N.M.
R578 10K
R468
20K
R470
1K
R430
N.M.
R506
10K
R431
N.M.
ZD1
02DZ6.8-Y
R503 10K
C330
0.1u/16V-K
R572
3K
TP200
C59
N.M.
C400
0 (1608/2012)
C360
2200p
C391
0.1u
Q114
RT1N436C
B
E
C
C61
N.M.
R508 100
C319
56p
R462
2.2K
Q113
N.M.(KRC102S)
B
E
C
IC31A
74LV4053A
C
0
1
C60
N.M.
C385
1000p
C328
0.1u
R571 150K
IC31B
74LV4053A
C
1
0
CE19
47u/16V
L102
0 (1608/2125)
CE26
100u/16V
R512 1K
R581
10K
C327
0.1u/16V-K
TP194
TP197
R469
33K
IC36
NJM2113M
-
+
TP193
Q116
RT1N436C
B
E
C
CE14
22u/16V
C299
N.M.
C395
0.1u
C321 0.1u
C362 0.1u
R582
3.3K
C63
R459 0
IC30
MODEM
FM336Plus
R507 100
R511
10K
CE17
4.7u/25V
C62
N.M.
R570
100K
C364
0.1u
R464
10K
C396 0.1u/16V-K
C331
0.1u/16V-K
C326
N.M.
C397
0.1u/50V
IC32B
NJM2904M
+
-
R465
10K
C399 470p
C398
330p
C367
N.M.
CE22
10u/16V
C300
0.1u/16V-KX5
28.2240MHz
R461 20K
IC31C
74LV4053A
C
1
0
R513
C318 0.1u
C324
N.M.
R564
0 (1608)
Q112
RT1N436C
B
E
C
IC31D
74LV4053A
C389 0.1u
C366 0.1u/16V-K
CE12
10u/16V
C325
1000p
TP192
TP198
C368
0
C363 0.1u
R509
10K
R569
0 (1608)
TP195
R455 10
CE24
10u/16V
C359 0.1u
R579 0
R460
10K
R471
1K
L103
10 (1608/2125)
C329
N.M.
TP196
R467
470
R514
44.2K-F
CE18
1u/50V
R466
N.M.
TP201
R576
22K
C323 0.01u-K
C333
0.1u
R573 0
R577
44.2K-F
C402
N.M.
R458 0
C358 0.1u
R504
0
CE15
10u/16V
R515
3.3K
IC32A
NJM2904M
+
-
C332
1u
C320 7p
TP199
R613
10K
R463 20K
C386
0.1u
C392
0.1u
C361
2200p
DG
DG
DG
DG
DG
DG
DG
+3.3V
DG
DG
+5V
DG
DG
DG
MAG
+3.3V
+5VA
MAG
DG
+5V
DG
+5V
DG
DG
+24VA
DG
DG
+3.3V
DG
DG
DG
DG
DG
DG
DG
+5VA
DG
+5VA
DG
DG DG
+3.3V
DG
+5VA
DG
DG
+5V
DG
DG
DG
DG
DG
MAG
MAGMAG
DG
DG
EXTSIG
/IORD
VOLA
VOLB
VOLC
D[31:0]
/MDMRST0
BZCONT
/IOWR
SP+
RXIN
GAINC0
SP-
MDMINT0
A[25:0]
MONSEL
TXOUT
BZOUT
TXMUTE0
/MDMCS0
/SPMUTE
/CI
SPKR2
IC32B
A
A
B
B
C
C
D
D
E
E
F
F
G
G
H
H
6 6
5 5
4 4
3 3
2 2
1 1
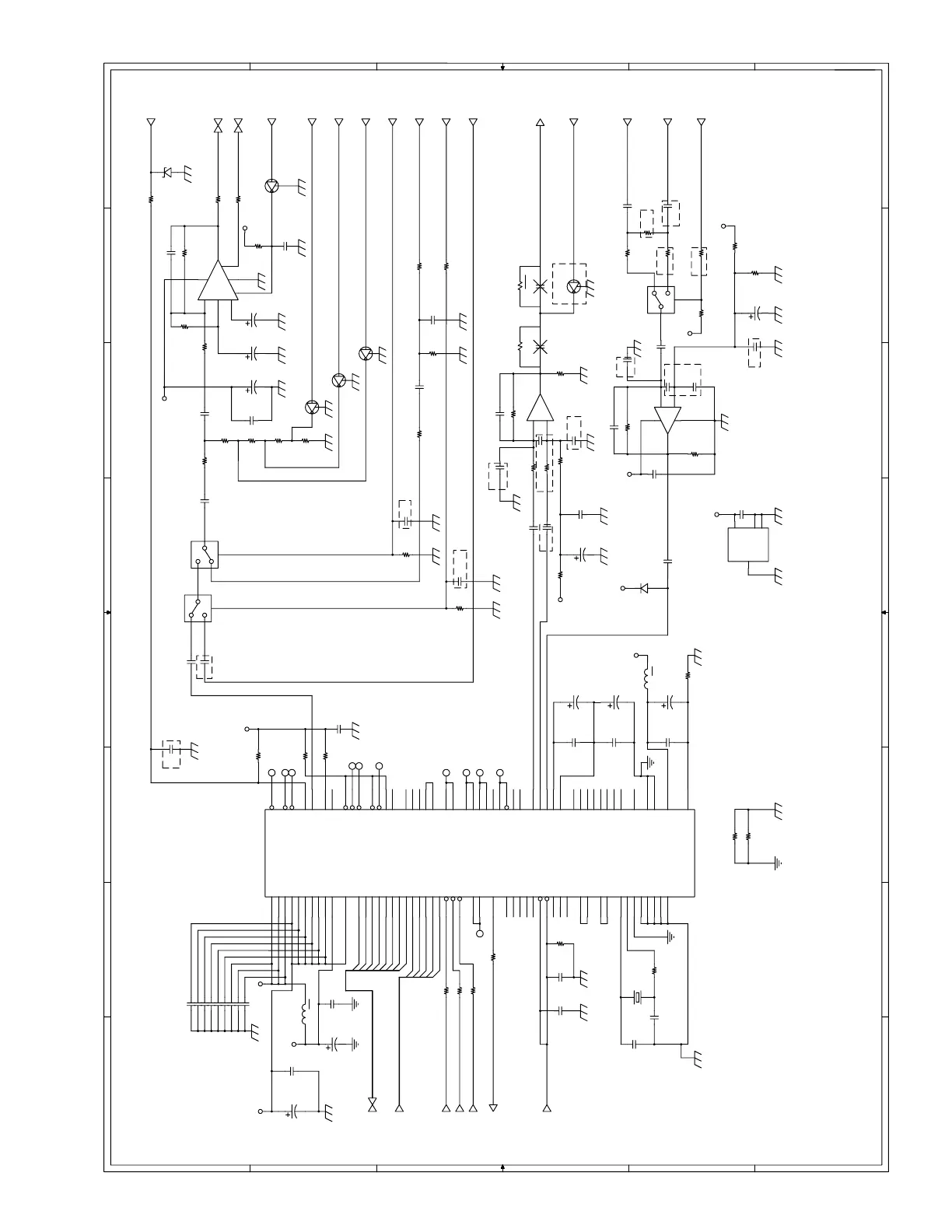
Modem block 5/12
6 8

Other manuals for Sharp FO-4450

Related product manuals