EasyManua.ls Logo

Sharp FO-4450 - Page 111

Sharp FO-4450
170 pages
Print Icon
To Next Page IconTo Next Page
To Next Page IconTo Next Page
To Previous Page IconTo Previous Page
To Previous Page IconTo Previous Page
Loading...
FO-4450U/FO-CS1
ExRing
ExTiP
+24VA
DPON
/EXHS
Ci
+5V
TiP
RXin
Ring
R9
18k
R20
22k
L4
R-5C
VA3
N.M.
CML1A
A5X-24E-95
C12
0.033u
C17
N.M.
L2
N.M.
R5
13k(1W)
IC1B
NJM2904D
+
-
ZD2
HZ2C1
C8
0.033u
R21
3.3k
JP1
N.M.
R11
30k
AR3
RA-501P-C6
ZD4
1ZC15
C14
R2
L1
R-5C
C1
0.82u/250V(F)
R13
30
AR1
RA-391P-V6-2
C18
100u/25V
C19
0.022u
JP3
JP(10mm)
REC1
S1ZB60
~+
~
T1
TRTEP17-0411F
Q3
CML1B
OUAZ-SH-124DZ
Q4
KRC106M
B
E
C
R16
620
R24
10k
PC2B
JP5
D1
1N4148
R15
390
R23
10
ZD3
HZ27-A
R27
10
Q1
2SD592A
R17
22k
R6
22k 1/2W
R8
C3
C13
N.M.
PC3B
PC814X
R22
22k
C5
4.7u/50V
ZD7
HZ2C1
C2
0.01u
ZD5
MTZJ8.2B
JP4
N.M.
L5
EL0909RR-102K-2
Q2
2SD1200FR
PC1A
PC817X
ZD6
HZ2C1
R10
10
C9
1000p
R18
22k
R26
10k
C10
4.7u/25V
R4
4.7(1/2W)
IC1A
NJM2904D
+
-
C7
1000p
R1
N.M.
PC1B
PC817X
JP2
JP(10mm)
C15
470p
R25
PC3A
PC814X
C4
N.M.
L3
N.M.
R19
750
C11
4.7u/25V
PC2A
N.M.
R14
200
C6
4.7u/50V
Q5
N.M.
B
E
C
R12
91
D2
1N4148
C16
4.7u/25V
R3
R7
AR2
RA-501P-C6
ZD1
HZ2C1
ARG
Vref
+24VA
DG
+5v
+5VA
+24VA
DG
DG DG
DG
DG
+5VA
DG DG
Vref
DGDG
DGDG
DG DG
+5V
DG
DG
CNLIU-2
CNLIU-1
MJ2-3
MJ2-4
CNLIU-4
CNLIU-5
CNLIU-6
CNLIU-7
CNLIU-8
CNLIU-9
MJ1-3
MJ1-4
CNLIU-3
A
A
B
B
C
C
D
D
E
E
F
F
G
G
H
H
6 6
5 5
4 4
3 3
2 2
1 1
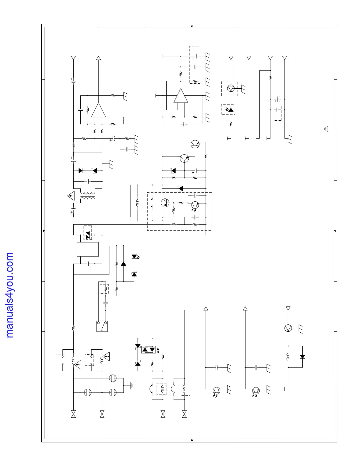
NOTE:
This mark indicates a safety-critical part(s).
[2] LIU PWB circuit 1/1
6 18
manuals4you.com

Other manuals for Sharp FO-4450

Related product manuals