EasyManua.ls Logo

Sharp HT-CN300 - Page 11

Sharp HT-CN300
56 pages
Print Icon
To Next Page IconTo Next Page
To Next Page IconTo Next Page
To Previous Page IconTo Previous Page
To Previous Page IconTo Previous Page
Loading...
– 11 –
HT-CN300
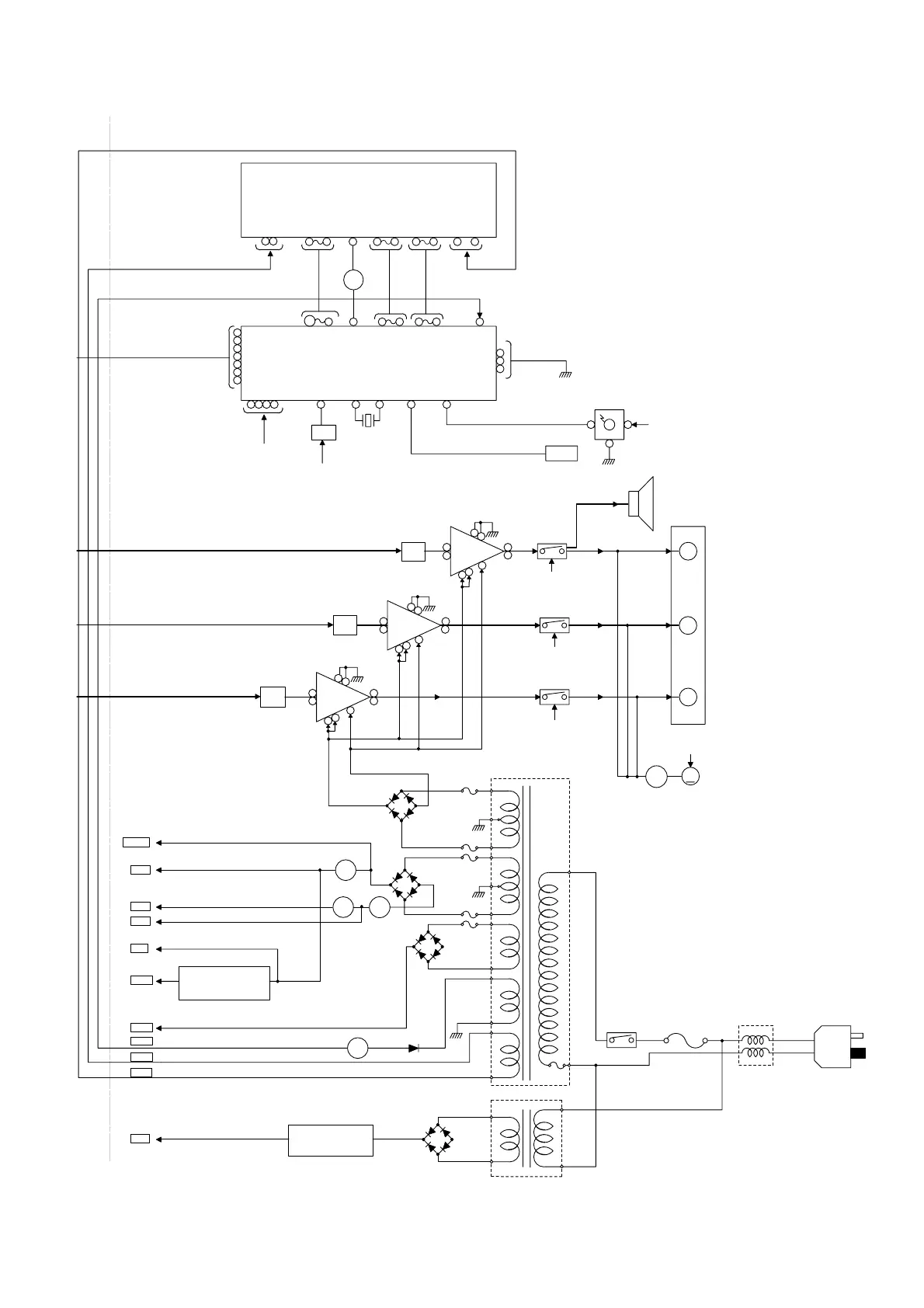
Figure 11 BLOCK DIAGRAM (2/4)
REGULATOR
CONSTANT VOLTAGE
KTA7805AP1
Q112Q113
Q150
IC103
BA033T
VOLTAGE
REGULATOR
LM4766
POWER AMP
10
13
8
2
15
5
3
1
114 2413 3225
8091 7178
Q691
100
93
Q202
LM4766
IC203
POWER AMP
3
1
5
15
13
8
2
10
RY511
Q132
IC501
13
IC202
MAIN
SURROUND
SUBWOOFER
CENTER
L
R
L
R
C
W
Q210
Q220
Q230
Q240
Q230
Q240
20ATT
20ATT
20ATT
+B1
-B1
+B2
+B3
-B2
-B3
+B4
+B5
+B6
-VP
VF2
VF1
+B7
FANB
M_12V
-5V
-9V
+5V
+3V3
+9V
4
12 3534
92 79
VF1 VF2
2
15
4
3
1
5
10
8
4
POWER AMP
LM4766
IC201
12
56
17
18
8
9
20
19
+5V
1 163446
+B7
10 11 12
Q682
IC602
+B7
SW678
12
3
+B7
33 39
40
25
13
M
+B6
FL690
FL DISPLAY
IC601
UPD780206
SYSTEM MICROCOMPUTER
RESET KEY_O
REMOCON
IC10
REMOTE SENSOR
X611
4.1943MHz
RY210
RY230
RY250
J201
D101
F101
F102
8A/125V
8A/125V
F111
F112
F121
800mA/125V
1.25A/125V
1.25A/125V
D111
D112
D113
D114
D121
D123
D122
D124
D131
D522
D523
D525
D524
T501
SUB POWER TRANSFORMER
F511
4A/125V
L511
LINE
FILTER
AC POWER
SUPPLY CORD
AC 120 V/60 Hz
T100
MAIN POWER
TRANSFORMER
SPEAKER TERMINAL
+B2
+B2
+B2
OSD CS
DATA
CEO
CE1
CE2
DO
CLK
M200
FAN MOTOR
FAN MOTOR
DRIVER

Related product manuals