EasyManua.ls Logo

Sharp HT-CN500DVA - Page 24

Sharp HT-CN500DVA
25 pages
Print Icon
To Next Page IconTo Next Page
To Next Page IconTo Next Page
To Previous Page IconTo Previous Page
To Previous Page IconTo Previous Page
Loading...
– 24 –
HT-CN400DVW/HT-CN400DVA/HT-CN500DVW/HT-CN500DVA
A
B
C
D
E
F
G
H
1
23456
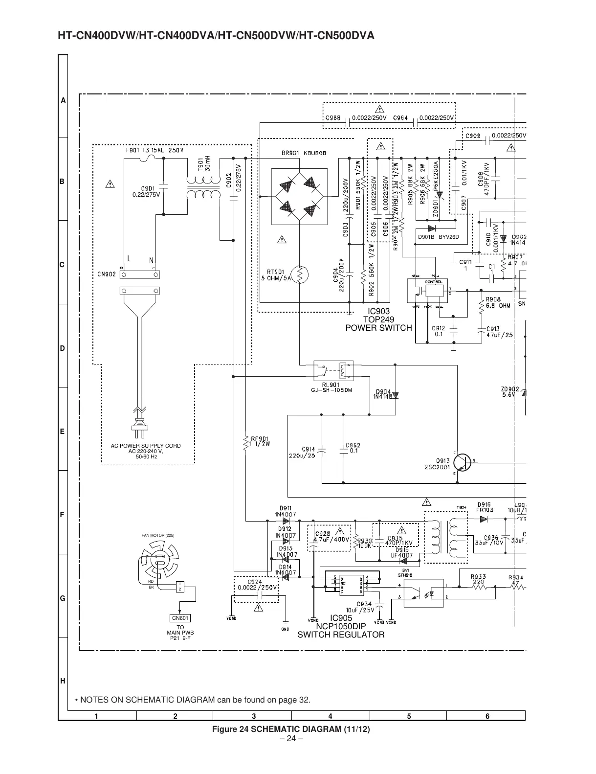
Figure 24 SCHEMATIC DIAGRAM (11/12)
• NOTES ON SCHEMATIC DIAGRAM can be found on page 32.
D901B BYV26D
IC903
TOP249
POWER SWITCH
AC POWER SU PPLY CORD
AC 220-240 V,
50/60 Hz
0.22/275V
0.22/275V
0.0022/250V
0.0022/250V
0.01/1KV
0.001/1KV
IC905
NCP1050DIP
SWITCH REGULATOR
FAN MOTOR (225)
2
1
RD
BK
CN601
TO
MAIN PWB
P21 9-F
0.0022/250V 0.0022/250V
0.0022/250
V
0.1
0.1
470P/1KV
0.0022
All manuals and user guides at all-guides.com

Related product manuals