EasyManua.ls Logo

Sharp HT-CN500DVA - Page 25

Sharp HT-CN500DVA
25 pages
Print Icon
To Previous Page IconTo Previous Page
To Previous Page IconTo Previous Page
Loading...
– 25 –
HT-CN400DVW/HT-CN400DVA/HT-CN500DVW/HT-CN500DVA
7
8 9 10 11 12
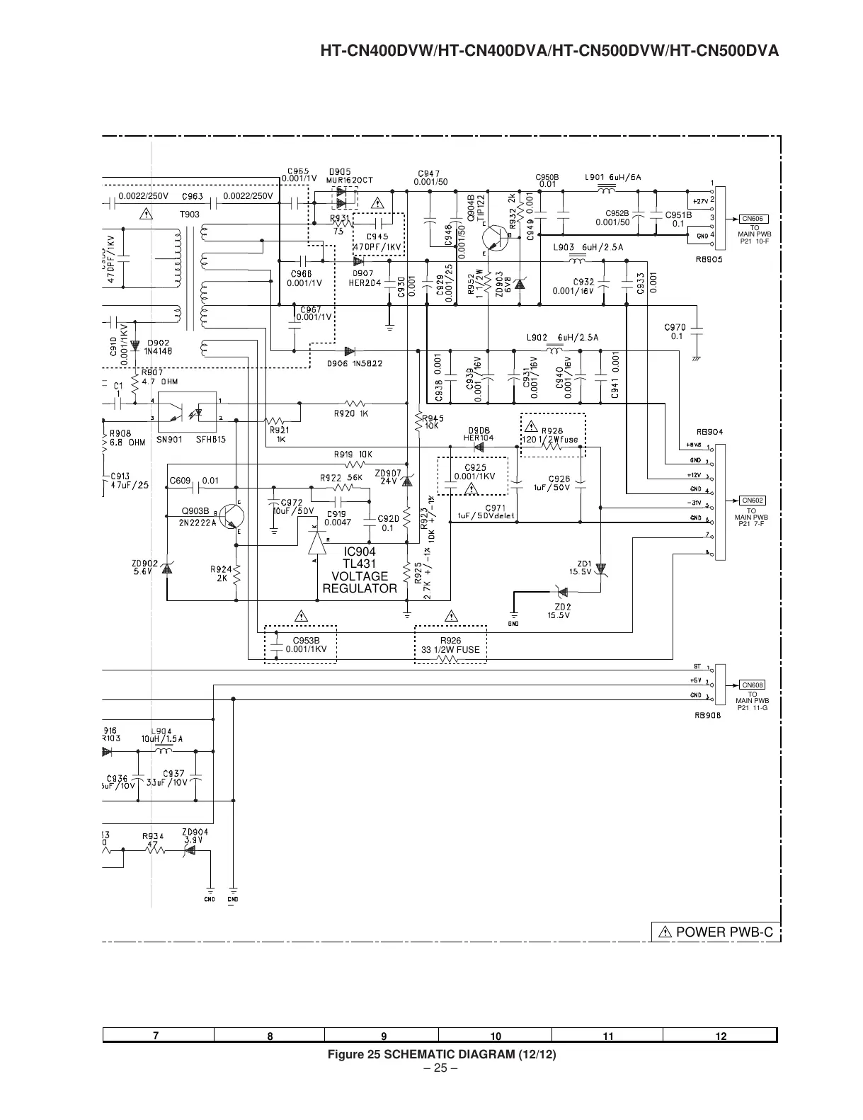
Figure 25 SCHEMATIC DIAGRAM (12/12)
C950B
C952B
POWER PWB-C
0.001/1KV
0.001
CN608
TO
MAIN PWB
P21 11-G
CN602
TO
MAIN PWB
P21 7-F
CN606
TO
MAIN PWB
P21 10-F
IC904
TL431
VOLTAGE
REGULATOR
1
2
3
4
0.0022/250V 0.0022/250V
C953B
0.001/1KV
R926
33 1/2W FUSE
Q903B
0.01C609
0.0047
0.1
0.001/1KV
120
0.001
0.001
0.001
0.001
0.001
0.001
0.001
0.001
0.1
0.001/1V
0.001/1V
0.001/1V
0.001/50
0.001/50
0.001/50
0.001
Q904B
0.01
C951B
0.1
T903
All manuals and user guides at all-guides.com

Related product manuals