EasyManua.ls Logo

Sharp LC-19LE430E - Page 86

Sharp LC-19LE430E
206 pages
Print Icon
To Next Page IconTo Next Page
To Next Page IconTo Next Page
To Previous Page IconTo Previous Page
To Previous Page IconTo Previous Page
Loading...
LC-19LE430E/UK, LC-22LE430E/UK, LC-26LE430E/UK, LC-32LE430E/UK
86
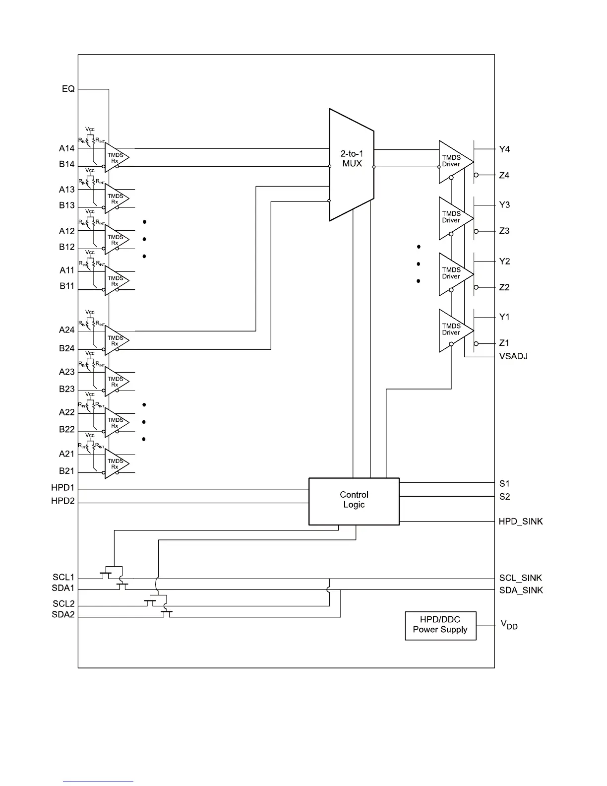
2.6. U501 (TMDS251PAGR TQFP64)
2.6.1 Block Diagram

Related product manuals