EasyManua.ls Logo

Sharp LC-19LE430E - Page 87

Sharp LC-19LE430E
206 pages
Print Icon
To Next Page IconTo Next Page
To Next Page IconTo Next Page
To Previous Page IconTo Previous Page
To Previous Page IconTo Previous Page
Loading...
2008-03-14
LC-19LE430E/UK, LC-22LE430E/UK, LC-26LE430E/UK, LC-32LE430E/UK
87
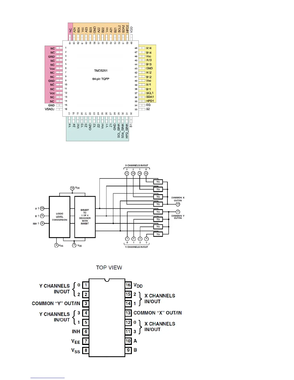
2.6.2 Pin Connections
2.7. U605 (CD4052BPWR TSSOP-16)
2.7.1 Block Diagram
2.7.2 Pin Connections and short description

Related product manuals