EasyManua.ls Logo

Sharp LC-32LE265T - Page 58

Sharp LC-32LE265T
82 pages
Print Icon
To Next Page IconTo Next Page
To Next Page IconTo Next Page
To Previous Page IconTo Previous Page
To Previous Page IconTo Previous Page
Loading...
LC-32LE265T / LC-40LE265T
6 – 19
A
C
B
D
E
F
G
H
2 109
8
7
6
54
3
1
LINEOUT_RP
LINEOUT_LP
HP_L_MUTE
004
MONITOR_HP_L
004
MONITOR_HP_R
004
UR+13V
010
I2S_SD
004
D+3.3V
010
I2S_LRCLK
004
SP_STBY
004
I2S_MCLK
004
I2S_SCLK
004
SP_MUTE
004
C1729
1u
25V
KZA621WJQZ
R1798
47K
C1734
1000P
R1794
68K
F
R1796
0
R1795
68K
F
C1717
1u
25V
KZA621WJQZ
R1797
10K
*FB1705
A371WJQZ
*FB1702
A371WJQZ
R1711
47K
C1731
1u
25V
KZA621WJQZ
C1747
1000P
CYB
C1746
1000P
CYB
C1718
1u
25V
KZA621WJQZ
D+5V
010
HP_R_OUT
002
HP_L_OUT
002
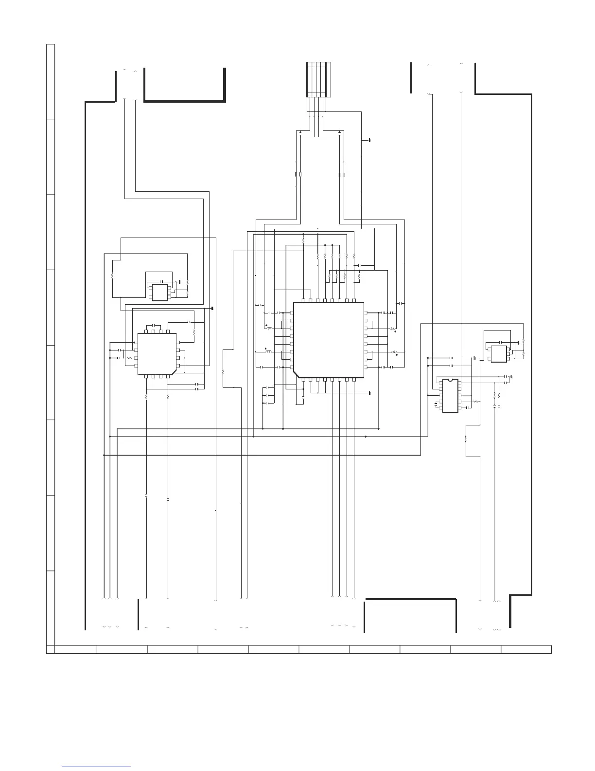
YDA176DL
1
REFA
2
AVSS
3
TEST
4
DVSS
5
MCK
6
SDATA
7
SCLK
8
LRCLK
9
PVDDPR
10
OUTPR
11
OUTPR
12
PVSSR
13
PVSSR
14
OUTMR
15
OUTMR
16
PVDDMR
17
SLEEPN
18
PROTN
19
PLIMIT1
20
PLIMIT2
21
GAIN
22
CKMOD
23
MONO
24
MUTEN
25
PVDDML
26
OUTML
27
OUTML
28
PVSSL
29
PVSSL
30
OUTPL
31
OUTPL
32
PVDDPL
GND
R1701
1K
R1702
1K
C1730
0.22u
CKZ
25V
C1728
0.22u
CKZ
25V
C1756
820P
R1751
1K
LINEOUT_MUTE
C1759
1000P
CZB
50V
LINEOUT_LP
R1753
2.2K
C1752
0.1u
CZF
C1748
10u16V
R1750
1K
R1752
6.8K
C1755
820P
C1751
10u
16V
LINEOUT_RP
MON_L_OUT
002
R1748
0
MON_R_OUT
002
*FB1708
A371WJQZ
*FB1709
A371WJQZ
R1754
0
C1721
0.1u
25V
TPA6139A
1
OUT_L
2
GND
3
GND
4
/MUTE
5VSS
6
CN
7
NC
8
CP
9
VDD
10
GND
11
GAIN
12
OUT_R
13
-IN_R
14
NC
15
NC
16
-IN_L
GND
C1722
10u
16V
KZA510WJPZ
R1766
2.2K
C1760
1000P
CZB
50V
R1765
6.8K
R1767
1K
CZ
C1774
1000P
C1775
1000P
R1717
7.5K
R1793
220K
R1768
1K
CZ
R1769
0
CZ
0.22u
10V
C1757
0.22u
10V
C1758
C1716
1u
10V
C1750
1u 10V
C1777
1u
CKZ
C1778
1u
10V
BU4229G
1
OUT
2
VDD
3
GND
4
NC
5
CT
BU4229G
1
OUT
2
VDD
3
GND
4
NC
5
CT
NJU72014
Use VHINJU72014-1Y
1234
5
6
78910
P1701
NB092WJ
SP
1
Rch+
2
Rch-
3
Lch-
4
Lch+
C1720
0.1u
CYB
25V
C1726
0.1u
CYB
25V
C1719
0.1u
CYB
25V
C1727
0.1u
CYB
25V
C1706
10u
25V
KZA980WJQZ
C1708
10u
25V
KZA980WJQZ
C1715
10u
25V
KZA980WJQZ
R1799
4.7K
F
R1712
68K F
R1792
10K
F
R1764
4.7K
F
C1753
0.22u CYB
C1754
0.22u
CYB
*L1701
PB489WJQZ
*L1703
PB489WJQZ
*L1702
PB489WJQZ
*L1704
PB489WJQZ
TO MAIN10(POWER)
TO MAIN4(CPU)
TO MAIN2(TERMINAL)
2014.09.23
TO MAIN4(CPU)
IC1702
IC1704
IC1705
IC1703
IC1701
MAIN9(AUDIO_AMP)
QPWBXG512WJT1

Table of Contents

Related product manuals