EasyManua.ls Logo

Sharp LC-32LE40E - Page 67

Sharp LC-32LE40E
157 pages
Print Icon
To Next Page IconTo Next Page
To Next Page IconTo Next Page
To Previous Page IconTo Previous Page
To Previous Page IconTo Previous Page
Loading...
LC-32LE40E-LC-42LE40E
67
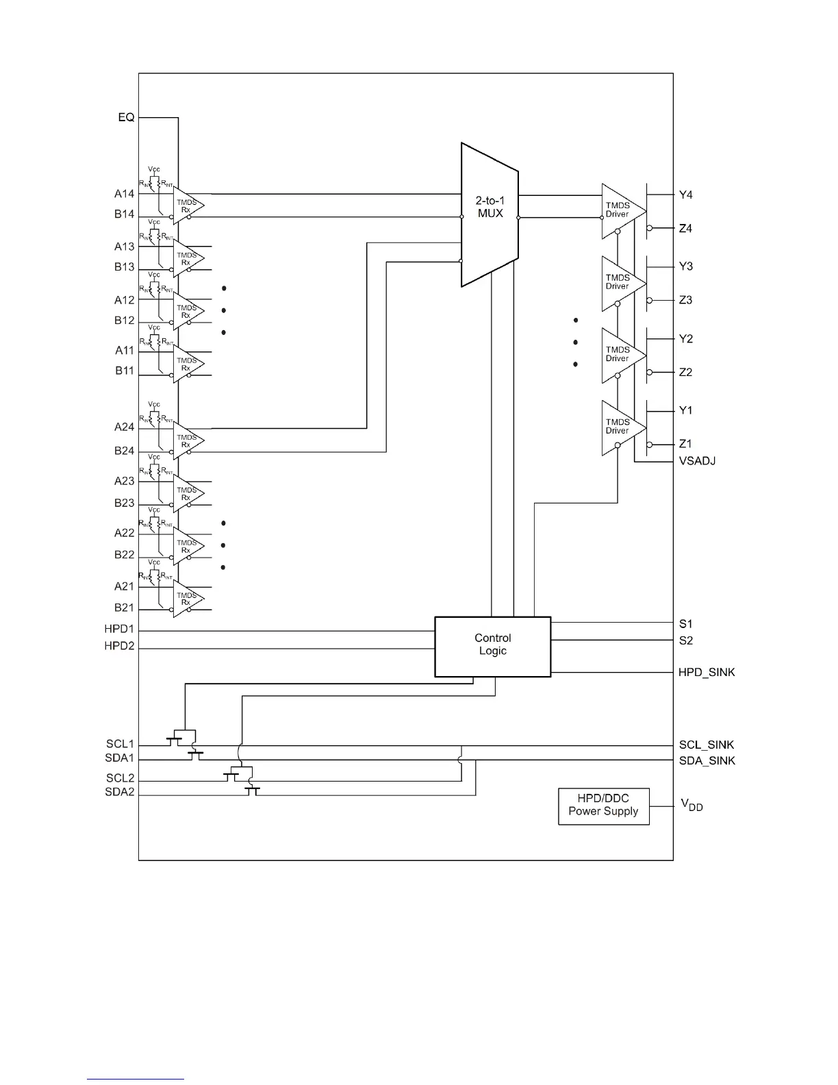
3.5 U501(TMDS251PAGR)
Block Diagram

Related product manuals