EasyManua.ls Logo

Sharp SF-2414 - Electrical Section

Sharp SF-2414
131 pages
Print Icon
To Next Page IconTo Next Page
To Next Page IconTo Next Page
To Previous Page IconTo Previous Page
To Previous Page IconTo Previous Page
Loading...
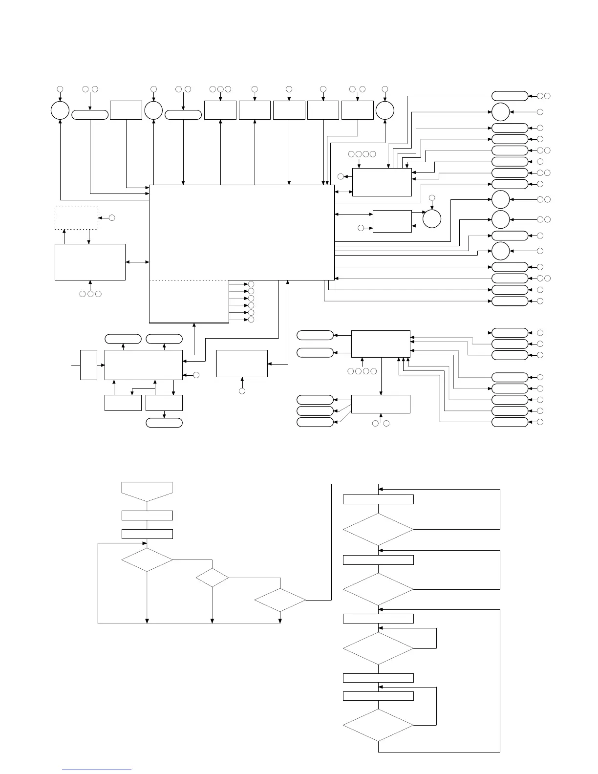
[12] ELECTRICAL SECTION
1. System block diagram
2. System operation at power ON
1
2
3
4
5
6
4
6
2
2 3 1 2 2 33 2 2
+32V
+24V
+5V1
+5V2
FW
GND
31 6
1 6
3
7
2
2
2
3
3
3
2
2
2
2
2
3
2
2
2
3
3
3
3
2
3
3
1
3
7
1 3 6
LM
LHPS
AE PWB
MIR.M
MHPS
BL PWB DL PWB
2 6
MFD1
MFD0 DV UNIT
SPFM
1,2
+30V
SPF PWB
SPFD
SPM
SPFC
SRRC
SPPD
SDSW
SPOD
TRC
VFM
CFM
RRC
TM
MM
MAIN MOTOR
PWB
PSPS
POD
MPFS
MPFC
CPFC1
PWD
PPD
CPED1
CPED2
CSDSW
CSPPD
CPED2
LOWER UNIT PWB
BIAS
SHV
HIGH VLOTAGE PWB
MHV
THV
GRID
CRU PWB
DC POWER SUPPLY CIRCUIT
HL CL
AC CIRCUIT PWB
INTER LOCK
SWITCH
AC POWER
POWER
UNITS
MAIN SWITCH
DRY HEATER
PERSONAL
COUNTER
OPERATION PWB
MAIN PWB
CPU, MEMORY, DRIVER
6 3 6 6
2
6
6
6
6
6
6
2
3 62
Power ON
JAM
RPL ON
PSW ON
RPL ON
Initial setting
Memory transfer
Trouble
Door open
Warm up
Warm up complete
Racing
Racing complete
Copy cycle
Copy end
• Heater lamp ON
Mirror initialization
• Lens initialization
• Toner density control
NO
NO
NO
12 – 1

Other manuals for Sharp SF-2414

Related product manuals