EasyManua.ls Logo

Sharp SMD2470AHA - Schematics

Sharp SMD2470AHA
40 pages
Print Icon
To Next Page IconTo Next Page
To Next Page IconTo Next Page
To Previous Page IconTo Previous Page
To Previous Page IconTo Previous Page
Loading...
10
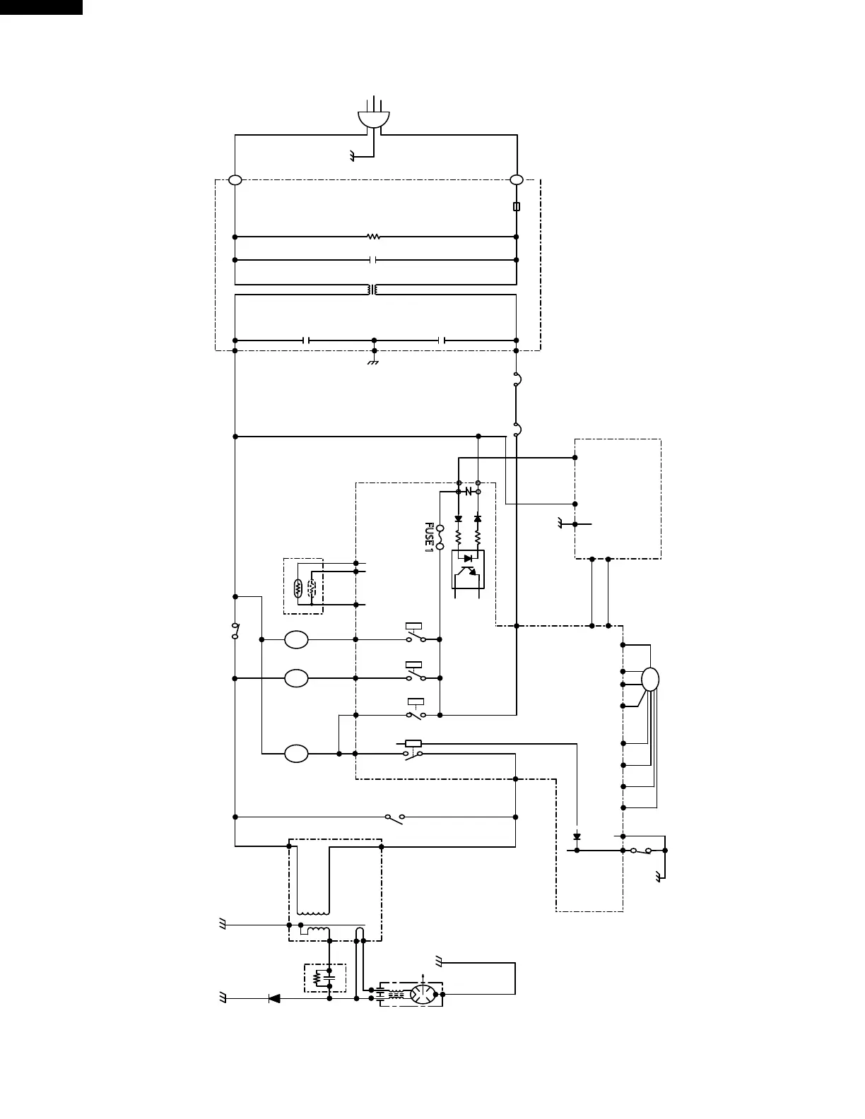
SMD2470AHA UPDATE
SCHEMATIC (OFF CONDITION)
FM
HUMIDITY
SENSOR
NOISE SUPRESSION COIL
RESISTOR 470 kΩ 1/2W
LINE CROSS CAPACITOR 1.0μF 275V
LINE BYPASS CAPACITOR
0.0022μF 250V
LINE BYPASS CAPACITOR
0.0022μF 250V
FUSE
20A
FAN MOTOR
OVEN LAMP
MONITOR SWITCH
PRIMARY INTERLOCK RELAY
RECTIFIER MAGNETRON
POWER TRANSFORMAR
CAPACITOR
1.00μF
AC 2300V
STIRRER
MOTOR
C
C
  1
CN1
  1
  3
  2 
CONTROL UNIT
SWITCHING REGULATOR
CIRCUITS SUBJECT TO CHANGE WITHOUT NOTICE.
OVEN
THERMAL
CUT-OUT
MG
THERMAL
CUT-OUT
SECONDARY INTELOCK SWITCH
DM
MICROWAVE DRAWER
DOOR OPEN-CLOSE
MOTOR
DOOR
SENSING
SWITCH
C
C
VRS1
FUSE 1
RY2
(NO)
RY2
(COM)
RY1
(NO)
RY1
(COM)

Related product manuals