EasyManua.ls Logo

Sharp SX68JF100 - Page 23

Sharp SX68JF100
56 pages
Print Icon
To Next Page IconTo Next Page
To Next Page IconTo Next Page
To Previous Page IconTo Previous Page
To Previous Page IconTo Previous Page
Loading...
26
87109654321
A
B
C
D
E
F
G
H
SX68JF100
Ë
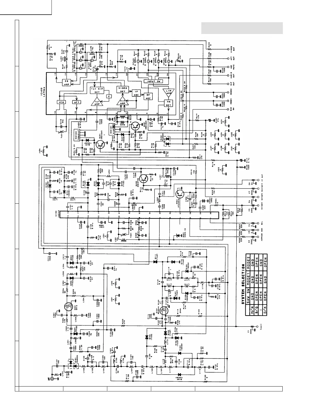
Tuner
NOTE : The parts here shown are supplied as an assembly but not independently.
654321
A
B
C
D
E
F
G
H
å VTUVTBT6ED265

Related product manuals