EasyManua.ls Logo

Sharp SX68JF100 - Page 27

Sharp SX68JF100
56 pages
Print Icon
To Next Page IconTo Next Page
To Next Page IconTo Next Page
To Previous Page IconTo Previous Page
To Previous Page IconTo Previous Page
Loading...
33
SX68JF100
32
121110987654321
A
B
C
D
E
F
G
H
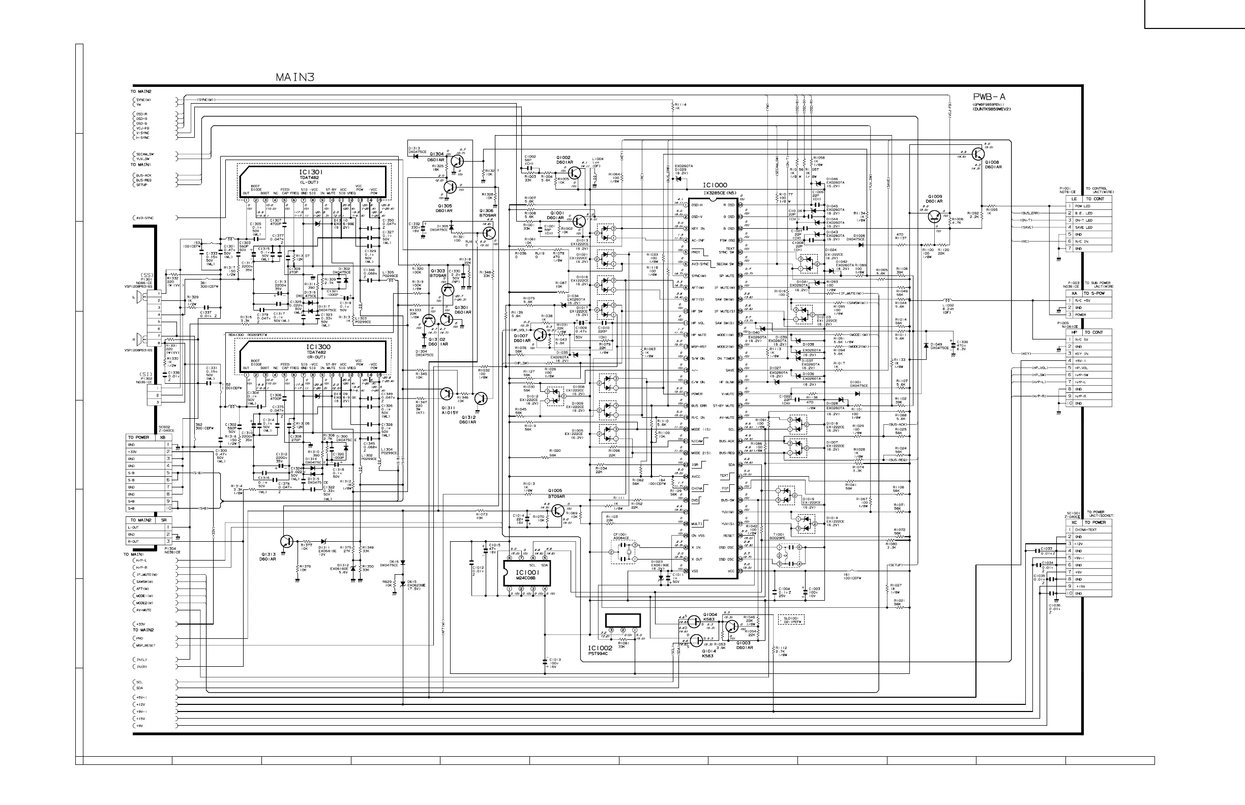
SCHEMATIC DIAGRAM: MAIN Unit -3
L1309
47u
P0362CE
L1308
47u
P0362CE

Related product manuals