EasyManua.ls Logo

Sharp VL-AD260U - Card and Tape Recording;Playback Block Diagrams

Sharp VL-AD260U
97 pages
Print Icon
To Next Page IconTo Next Page
To Next Page IconTo Next Page
To Previous Page IconTo Previous Page
To Previous Page IconTo Previous Page
Loading...
42
VL-AD260U
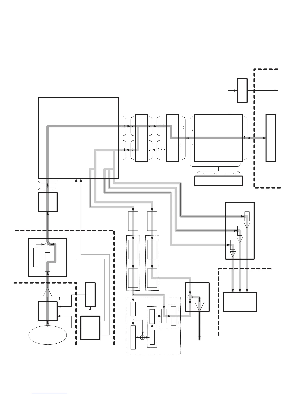
7-5. CARD REC BLOCK DIAGRAM
LENS
TIMING
GENERATOR
PANEL
Y-FILTER
CCD
SENSOR
V-DRIVER
C-FILTER
CDS AGC / ACC
CDS_AGC
ACC_AMP
HPF
LIMITER
ATT
NOISE CANCEL
BLOCK
LPF
AMP
BUFFER
VIDEO DRIVER
IC1
4
6, 7
Q1
IC101
25,
26
8
40, 42
IC12
IC11 3, 5, 17, 18
27
36
CCD14CK
CCD9CK
39
8
7
117
124
107
115
103
Y_OUT
C_OUT
R_OUT
G_OUT
B_OUT
IC201
IC203
Q1402
Q1404
Q1401
Q1403
Q2405Q2402/Q2403
Q2407
Q2401
IC1451
SC-IN
SY-IN
18
VIDEO-OUT
5
67
8
IC800
BUFFER
24
22
20
LCD_VR
LCD_VG
LCD_VB
Digital Signal Process
V_SIGNAL
CCD_OUT
IC205
Electric Zoom
IC204
Field Memory
A/D Converter
IC5703
Memory
IC5701
JPEG Converter
IC5702
RS232C Driver
SmartMedia
19 22, 25, 26, 28, 29
BUFFER
BUFFER
BUFFER
LPF
LPF
LPF
18 27
1 5, 8 12
10 13
1 8
2 5, 7 10, 41 44, 46 49
127 134, 136 143
51, 52, 54, 55, 58 61
32 35
38 41
45 48
85 90
92 97
BUFFER
115 126
56 71
134 141
144 151
154 161
165 172
38 53
129 140

Related product manuals