EasyManua.ls Logo

Sharp W/DIVX Series - Page 24

Sharp W/DIVX Series
44 pages
Print Icon
To Next Page IconTo Next Page
To Next Page IconTo Next Page
To Previous Page IconTo Previous Page
To Previous Page IconTo Previous Page
Loading...
ABC D E F GH
ABC D E F GH
2
1
3
4
5
6
7
8
2
1
3
4
5
6
7
8
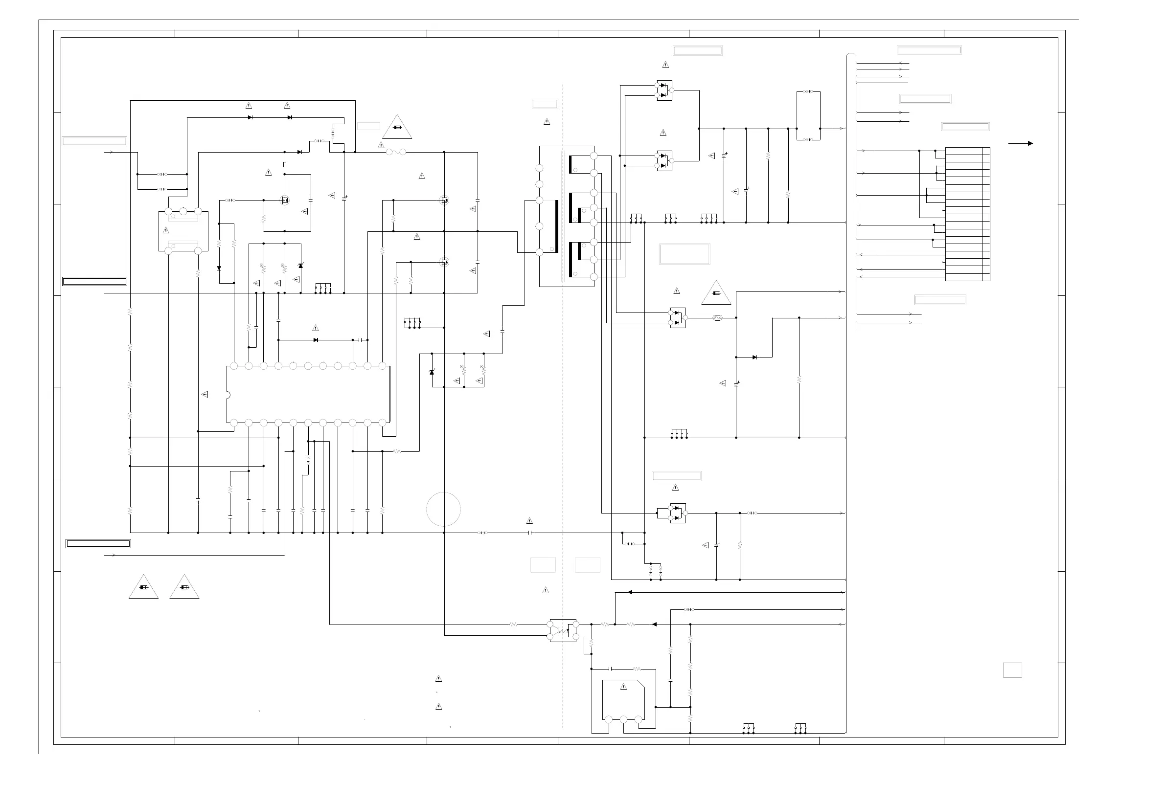
F3804
20N_2500FSW
2.5A 250V
CD301
EH146702
L=420mm/14pin EH2E3508
S
D
G
Q3816
R6012ANX
POWER SWITCH
S
D
G
Q3817
STP11NK50ZFP
POWER SWITCH
S
D
G
Q3818
STP11NK50ZFP
POWER SWITCH
IC3804
MCZ5205SE-3072
PFC/LLC CTL IC
11011
121314
1516171819
2
202122
3456789
HS3805
763WAA0357
Q3817/Q3818
HS3804
763WAA0357
Q3816/D3827
HS3807
763WAA0357
D3830/D3835
HS3806
763WAA0357
D3828/D3829
R3876
0.12 2W X
R3878
0.12 2W X
R3888
0.33 1W X
R3889
0.33 1W X
L3804
F3000004
PFC COIL/250uH
1
2
34
5
T3802
87350094
MAIN LLC TRANS
1
10
11
12
13
2
3
4
5
6
7
8
9
CP3806
00_6216_018_000_808+
1
10
11
12
13
14
15
16
17
18
2
3
4
5
6
7
8
9
D3849
MTZJ3.3B T-77
D3848
MTZJ5.6B
R3881
22 1/4W
R3909
2.7K 1/2W
R3877
10K 1/10W
2125
R3875 10 1/4W
R3880
5.1K 1/16W +-1%
R3882 33 1/16W
R3883
10 1/16W
R3872
4.7 1/16W
R3873
47 1/16W
R3890
2.2K 1/16W
R3892
100 1/16W
R3893
10K 1/16W
R3899
2.4K 1/16W
+-1%
R3898
3.9K1/16W
+-1%
R3897
6.8K 1/16W
+-1%
R3896
12K 1/16W
+-1%
R3895
15K 1/16W
R3894
2.2K 1/16W
R3891
1K 1/16W
R3885
22 1/4W
R3886
47K 1/10W
2125
R3887
47K 1/10W
2125
R3874
22K 1/16W
R3871
22K 1/16W
R3865
15K
1/10W
2125
+-1%
R3870
13K
1/10W
2125
+-1%
R3902
2.7K 1/4W
R3901
2.7K 1/4W
R3906
2.7K 1/2W
R3861
560K
1/10W
2125
+-1%
R3864
620K
1/10W
2125
+-1%
R3863
560K
1/10W
2125
+-1%
R3862
560K
1/10W
2125
+-1%
IC3805
KIA431A-AT
VOLTAGE CTL
123
IC3808
PS2561AL1-1-V(W)
FEED BACK
1
2
34
D3831
MBRF10U100CTA
1
2
3
D3829
MBRF10U100CTA
1
2
3
D3828
MBRF10U100CTA
1
2
3
D3830
MBRF10U100CTA
1
2
3
D3825
ZRM11C
D3827
SF10K60M
D3824
EC11FS4
D3847
ZRM11C
D3832
1SS133
D3833
1SS133
D3826
1H6-A2
D3834_1
ZRM11C
W836
W840
W819
W855
W832
W833
W807
W806
W821
W839
W825
W830
W846
W809
C3846_1
100450V
GN
C3877
100035V ZL_P
C3867
47025V ZLH
C3866
100016V
10x16mm
ZLH
C3865
100035V ZL_P
B3803
BL02RN1R2N1A
C3843
680P2KV R
C3853
220P250V KX
C3850
100P1KV SL
C3851
100P1KV SL
C3838 0.125V B
C3844 0.001550V CH
C3845 4.725V 2125B
C3839 0.00150V B
C3841 0.00150V B
C3847 0.0150V B
C3849 0.0150V B
C3842 150V 2125B
C3864
0.150V B
C3854
0.04750V B
C3914
22P50V CH
C3837
0.125V B
C3840
1050V
3216
B
C3848
0.1
50V
B
C3852_2
0.012800V ECHW
C3836
125V B
F3803
50CF(P)010H(GF-009)
F1A H250V
SH3803
YQ-12
SH3804
YQ-36
SH3805
YQ-36
SH3806
YQ-36
WAS RECEIVED IN GOOD CONDITION AND PICTURE IS NORMAL.
WITH THE DIGITAL TESTER WHEN THE COLOR BROADCAST
NOTE:THE DC VOLTAGE AT EACH PART WAS MEASURED
OF PRINTING AND SUBJECT TO CHANGE WITHOUT NOTICE
NOTE:THIS SCHEMATIC DIAGRAM IS THE LATEST AT THE TIME
N’UTILISER QUE DES FUSIBLE DE MEME TYPE
:POUR UNE PROTECTION CONTINUE LES RISQUES D’INCEIE
ATTENTION
REPLACE ONLY WITH THE SAME TYPE FUSE
:FOR CONTINUED PROTECTION AGAINST FIRE HAZARD,
CAUTION
IS NON POLAR ONE.
THE ALUMI ELECTROLYTIC CAPACITOR MARKED NP
THE RESISTOR MARKED F IS FUSE RESISTOR.NOTE:
:SINCE THESE PARTS MARKED BY
CAUTION
DESCRIBED IN PARTS LIST ONLY
CRITICAL FOR SAFETY,USE ONES
ARE
DANS LA NOMENCLATURE DES PIECES
N’UTILISER QUE CELLS DECRITES
DANGEREUSES AN POINT DE VUE SECURITE
:LES PIECES REPAREES PAR UN ETANT
ATTENTION
AT+5.0V
SW+24V
POWER_ON-H
GND
SW+12V
SW+24V
SW+24V
SW+12V
PFC_VOLT
AT+5.0V
GND
GND
SOUND+B
SOUND_GND
POWER_ON-H
LIGHT_CTL
BL_ON
FB+12V
PRI_GND
LIGHT_CTL
SW+12V
BL_ON
SOUND+B
IC_VCC
SOUND_GND
AT+5.0V
FB+12V
SW+24V
GND
(CN12)
FROM/TO MAIN UNIT
H-4
H-3
PCB240
CEM896
24
24
0
0
12
18
12
3.3
194V
6
0
100400
FROM/TO LED DRIVE
FROM/TO AC LINE/SUB POWER
H=25mm
:F3804 IS MANUFACTURED BY SKYGATE CO.,LTD., TYPE SCT.
:F3803 IS MANUFACTURED BY SKYGATE CO.,LTD., TYPE SCT.
F1A H250V (F3803) 2.5A 250V (F3804)
F1A H250V (F3803) 2.5A 250V (F3804)
2.5A 250V
2.5A 250V
FROM/TO AC LINE/SUB POWER
FROM/TO LED DRIVE
NC
NC
AT+12V
AT+6.0V
AT+6.0V
AT+6.0V
GND
GND
GND
AT+12V/GND
AT+12V
AT+12V
SOUND_+B
SOUND_+B
SOUND_GND
SOUND_GND
POWER_ON_H
PW_FAIL/GND
LIGHT_CTL
INVERTER_H
18V/2.0A
ZC COMP FBP VSEN VC1 FBL SST SGND CSL AS VGL
VGP CSP PGND VC2 VB VGHVSNC NC NCNC
NC NC NC
DC+390V
PRI SEC
NC
GNDOUT IN
MAIN POWER SCHEMATIC DIAGRAM
(POWER PCB)
0
00
5.4
for 120V
H=22mm
H=22mm
PGND-SGND
24V/6.0A
NC
NC
(BACK LIGHT GND)
NC
(AUDIO GND)
4.31.91.7
2.5 4.7
14.7 2.4 2.0
0
0
2.4
10.406.3 209 200
204
110
6.2
393
204
4.3
0
200
200
USA:12V/1.0A
EC:12V/3A
JPN:12V/3.5A
NC
L=40mm
FROM/TO AC LINE/SUB POWER
FROM/TO AC LINE/SUB POWER
F1A H250V
F1A H250V
CAUTION
L=40mm

Related product manuals