EasyManua.ls Logo

Sharp W/DIVX Series - Page 34

Sharp W/DIVX Series
44 pages
Print Icon
To Next Page IconTo Next Page
To Next Page IconTo Next Page
To Previous Page IconTo Previous Page
To Previous Page IconTo Previous Page
Loading...
1
1
2
2
3
3
4
4
5
5
6
6
7
7
8
8
D D
C C
B B
A A
CA2
0.1uF-0603-Y5V-+80%-20%-50V
CA1
0.1uF-0603-Y5V-+80%-20%-50V
SD
1
FAULT
2
LINP
3
LINN
4
GAIN0
5
GAIN1
6
AVCC
7
AGND
8
GVDD
9
PLIMIT
10
RINN
11
RINP
12
NC
13
PBTL
14
PVCCR
15
PVCCR
16
BSPR
17
OUTPR
18
PGND
19
OUTNR
20
BSNR
21
BSNL
22
OUTNL
23
PGND
24
OUTPL
25
BSPL
26
PVCCL
27
PVCCL
28
UA1
TPA3110LD2PWPR
CA23
1uF-0603-Y5V-+80%-20%-10V
CA27
1uF-0603-Y5V-+80%-20%-10V
CA10
1uF-0603-Y5V-+80%-20%-10V
CA8
1uF-0603-Y5V-+80%-20%-10V
CA19
1uF-0603-Y5V-+80%-20%-10V
RA21
10Kohm-0402-±5%-1/16W
RA22
10Kohm-0402-±5%-1/16W
CA21
1uF-0603-Y5V-+80%-20%-10V
RA18
0ohm-0402-±5%-1/16W
RA16
10Kohm-0402-±5%-1/16W
CA32
1000pF-0402-X7R-±10%-50V
CA5
1000pF-0402-X7R-±10%-50V
LA1
LFL0810A-330M-B
LA2
LFL0810A-330M-B
LA4
LFL0810A-330M-B
LA3
LFL0810A-330M-B
CA13
NC/ARCO-R82DC3330DQ60J
CA22
NC/ARCO-R82DC3330DQ60J
CA7
330pF-0402-X7R-±10%-50V
CA30
330pF-0402-X7R-±10%-50V
CA11
1uF-0603-X5R-±10%-25V
RA15
NC/0ohm-04025%-1/16W
RA17
NC/10Kohm-04025%-1/16W
CA29
330pF-0402-X7R-±10%-50V
CA6
330pF-0402-X7R-±10%-50V
CA14
1uF-0603-X5R-±10%-25V
CA20
1uF-0603-X5R-±10%-25V
CA24
1uF-0603-X5R-±10%-25V
RA12
10ohm-1206-±1%-1/4W
RA13
10ohm-1206-±1%-1/4W
RA27
10ohm-1206-±1%-1/4W
RA26
10ohm-1206-±1%-1/4W
RA14
100ohm-0402-±5%-1/16W
RA25
100ohm-0402-±5%-1/16W
CA12
1000pF-0402-X7R-±10%-50V
CA18
1000pF-0402-X7R-±10%-50V
CA15
0.1uF-0603-Y5V-+80%-20%-50V
CA4
0.1uF-0603-Y5V-+80%-20%-50V
CA31
0.1uF-0603-Y5V-+80%-20%-50V
CA9
0.22uF-0603-Y5V-+80%-20%-50V
CA16
0.22uF-0603-Y5V-+80%-20%-50V
CA17
0.22uF-0603-Y5V-+80%-20%-50V
CA28
0.22uF-0603-Y5V-+80%-20%-50V
AMP_LO
AMP_RO
AMP_MUTE/
LOUT+
LOUT-
ROUT-
ROUT+
AMP_VCC
AMP_VCC
DA1
PMLL4148L
QA1
MMBT3904(f350MHz)
RA10
33Kohm-0402-±5%-1/16W
RA7
1Kohm-04025%-1/16W
RA1
47Kohm-0402-±5%-1/16W
QA2
3CG3906M
AMP_MUTE/CA3
1uF-0603-Y5V-+80%-20%-10V
RA3
NC/0ohm-04025%-1/16W
RA5
0ohm-0402-±5%-1/16W
RA6
2K2ohm-0402-±5%-1/16W
RA9
NC/33Kohm-04025%-1/16W
C134
NC/0.1uF-0603-Y5V-+80%-20%-50V
+
EA5
100uF-16V-±20%-5×11-105 ( 3KH)
M_5V
AMP_MUTE
+
EA3
NC/470uF-35V-±20%-10*16-105 -KZ ( )
+
EA4
NC/470uF-35V-±20%-116-105 -KZ( )
AMP_VCC
C135
2.2uF-0805-X7R-±10%-25V AMP_VCC
C136
2.2uF-0805-X7R-±10%-25V
+
EA2
470uF-16V-±20%-8×11.5-105 -KH( )
+
EA1
470uF-16V-±20%-8×11.5-105 -KH( )
AMP_+12V
M_+6.0V
M_+6.0V
AMP_+12V
RA11
0ohm-1206-±5%-1/4W
AMP_VCCAMP_+12V
RA8
1Kohm-04025%-1/16W
RA2
4K7ohm-0402-±5%-1/16W
SPI_WP0N
+3.3V_STB
QA3
MMBT3904(f350MHz)
AMP_MUTE
RA4
1Kohm-04025%-1/16W
QA33
MMBT3904(f350MHz)
RA72
200Kohm-0402-±5%-1/16W
RA71
20Kohm-0402-±5%-1/16W
HP_POP
CA67
1uF-0805-X7R-±10%-25V
RA69
100Kohm-0402-±5%-1/16W
DA37
PMLL4148L
CA66
1uF-0603-Y5V-+80%-20%-10V
RA70
1Kohm-04025%-1/16W
AMP_MUTE
AMP_+12V
RA19
100Kohm-0402-±5%-1/16W
1
3
7
2
4
6
5
AV2
PJ-339 CA63
0.022uF-0402-X7R-±10%-16V
CA62
0.022uF-0402-X7R-±10%-16V
ROUT+
LOUT+ RA63
NC/0ohm-06035%-1/10W
RA64
NC/0ohm-06035%-1/10W
12
EA6
NC/100uF-16V-±20%-5×11-105
12
EA7
NC/100uF-16V-±20%-5×11-105
CA65
0.022uF-0402-X7R-±10%-16V
RA59
330ohm-04025%-1/16W
RA61
330ohm-04025%-1/16W
RA60
330ohm-04025%-1/16W
RA62
330ohm-04025%-1/16W
CA64
0.022uF-0402-X7R-±10%-16V
DA34
NC/ICVL0518030FR
DA35
NC/ICVL0518030FR
HP_L
HP_R
LSPK
RSPK
1
2
3
4
CN18
4PIN-2.54-D-H-G
LOUT-
ROUT-
CA25
10uF-0805-Y5V-+80%-20%-10V
CA26
10uF-0805-Y5V-+80%-20%-10V
S1
S1
G1
G1
D2
D2
D1
D1
G2
G2
S2
S2
UA2
NC/UM6K1N
HP_POP
HP_LHP_R
S1
S1
G1
G1
D2
D2
D1
D1
G2
G2
S2
S2
UA3
NC/UM6K1N
HP_POP
RA66
0ohm-0402-±5%-1/16W
RA65
0ohm-0402-±5%-1/16W
ROUT+ LOUT+
PIAV201
PIAV202
PIAV203
PIAV204
PIAV205
PIAV206
PIAV207
COAV2
PIC13401
PIC13402
COC134
PIC13501
PIC13502
COC135
PIC13601
PIC13602
COC136
PICA101
PICA102
COCA1
PICA201
PICA202
COCA2
PICA301PICA302
COCA3
PICA401
PICA402
COCA4
PICA501
PICA502
COCA5
PICA601
PICA602
COCA6
PICA701
PICA702
COCA7
PICA801
PICA802
COCA8
PICA901PICA902
COCA9
PICA1001PICA1002
COCA10
PICA1101
PICA1102
COCA11
PICA1201
PICA1202
COCA12
PICA1301
PICA1302
COCA13
PICA1401
PICA1402
COCA14
PICA1501
PICA1502
COCA15
PICA1601 PICA1602
COCA16
PICA1701 PICA1702
COCA17
PICA1801
PICA1802
COCA18
PICA1901PICA1902
COCA19
PICA2001
PICA2002
COCA20
PICA2101PICA2102
COCA21
PICA2201
PICA2202
COCA22
PICA2301PICA2302
COCA23
PICA2401
PICA2402
COCA24
PICA2501 PICA2502
COCA25
PICA2601 PICA2602
COCA26
PICA2701
PICA2702
COCA27
PICA2801 PICA2802
COCA28
PICA2901
PICA2902
COCA29
PICA3001
PICA3002
COCA30
PICA3101
PICA3102
COCA31
PICA3201
PICA3202
COCA32
PICA6201
PICA6202
COCA62
PICA6301
PICA6302
COCA63
PICA6401
PICA6402
COCA64
PICA6501
PICA6502
COCA65
PICA6601
PICA6602
COCA66
PICA6701
PICA6702
COCA67
PICN1801
PICN1802
PICN1803
PICN1804
COCN18
PIDA10A
PIDA10K
CODA1
PIDA3401
PIDA3402
CODA34
PIDA3501
PIDA3502
CODA35
PIDA370A PIDA370K
CODA37
PIEA101
PIEA102
COEA1
PIEA201
PIEA202
COEA2
PIEA301
PIEA302
COEA3
PIEA401
PIEA402
COEA4
PIEA501
PIEA502
COEA5
PIEA601PIEA602
COEA6
PIEA701PIEA702
COEA7
PILA101PILA102
COLA1
PILA201PILA202
COLA2
PILA301 PILA302
COLA3
PILA401 PILA402
COLA4
PIQA10B
PIQA10C
PIQA10E
COQA1
PIQA20B
PIQA20CPIQA20E
COQA2
PIQA30B
PIQA30C
PIQA30E
COQA3
PIQA330B
PIQA330C
PIQA330E
COQA33
PIRA101
PIRA102
CORA1
PIRA201
PIRA202
CORA2
PIRA301 PIRA302
CORA3
PIRA401PIRA402
CORA4
PIRA501 PIRA502
CORA5
PIRA601 PIRA602
CORA6
PIRA701 PIRA702
CORA7
PIRA801
PIRA802
CORA8
PIRA901
PIRA902
CORA9
PIRA1001PIRA1002
CORA10
PIRA1101
PIRA1102
CORA11
PIRA1201
PIRA1202
CORA12
PIRA1301
PIRA1302
CORA13
PIRA1401 PIRA1402
CORA14
PIRA1501
PIRA1502
CORA15
PIRA1601
PIRA1602
CORA16
PIRA1701
PIRA1702
CORA17
PIRA1801
PIRA1802
CORA18
PIRA1901
PIRA1902
CORA19
PIRA2101
PIRA2102
CORA21
PIRA2201
PIRA2202
CORA22
PIRA2501PIRA2502
CORA25
PIRA2601
PIRA2602
CORA26
PIRA2701
PIRA2702
CORA27
PIRA5901PIRA5902
CORA59
PIRA6001PIRA6002
CORA60
PIRA6101PIRA6102
CORA61
PIRA6201PIRA6202
CORA62
PIRA6301 PIRA6302
CORA63
PIRA6401 PIRA6402
CORA64
PIRA6501 PIRA6502
CORA65
PIRA6601 PIRA6602
CORA66
PIRA6901
PIRA6902
CORA69
PIRA7001
PIRA7002
CORA70
PIRA7101 PIRA7102
CORA71
PIRA7201
PIRA7202
CORA72
PIUA101
PIUA102
PIUA103
PIUA104
PIUA105
PIUA106
PIUA107
PIUA108
PIUA109
PIUA1010
PIUA1011
PIUA1012
PIUA1013
PIUA1014 PIUA1015
PIUA1016
PIUA1017
PIUA1018
PIUA1019
PIUA1020
PIUA1021
PIUA1022
PIUA1023
PIUA1024
PIUA1025
PIUA1026
PIUA1027
PIUA1028
COUA1
PIUA20D1
PIUA20D2
PIUA20G1
PIUA20G2
PIUA20S1
PIUA20S2
COUA2
PIUA30D1
PIUA30D2
PIUA30G1PIUA30G2
PIUA30S1
PIUA30S2
COUA3
PIRA202
PICA101
PICA201
PIEA101 PIEA201 PIEA301 PIEA401
PIRA301
PIRA1102
PIRA7201
NLAMP0012V
PIRA1401
NLAMP0LO
PICA301
PIQA10B
PIRA401
PIRA702
PIRA7001
NLAMP0MUTE
PIC13401
PIQA10C
PIRA102
PIUA101
PIUA102
NLAMP0MUTE0
PIRA2502
NLAMP0RO
PIC13502 PIC13602
PICA401 PICA501
PICA1501
PICA3101 PICA3201
PIRA1101
PIUA107
PIUA1015
PIUA1016
PIUA1027
PIUA1028
NLAMP0VCC
PIAV201
PIC13402
PIC13501 PIC13601
PICA102
PICA202
PICA402 PICA502
PICA1002
PICA1102
PICA1201
PICA1401
PICA1502
PICA1802
PICA1902
PICA2002
PICA2102
PICA2302
PICA2401
PICA3102 PICA3202
PICA6202PICA6302PICA6402PICA6502
PICA6602
PICA6701
PIDA3402 PIDA3502
PIEA102 PIEA202 PIEA302 PIEA402
PIEA502
PIQA10E
PIQA30E
PIQA330E
PIRA901
PIRA1202 PIRA1302
PIRA1502
PIRA1802
PIRA1901
PIRA2202
PIRA2601 PIRA2701
PIRA6901
PIUA108
PIUA1014
PIUA1019
PIUA1024
PICA2602
PIEA701
PIRA6502
PIUA20D2
NLHP0L
PICA6702
PIQA330C
PIRA1902
PIRA7202
PIUA20G1
PIUA20G2PIUA30G1PIUA30G2
NLHP0POP
PICA2502
PIEA601
PIRA6602
PIUA30D2
NLHP0R
PIAV205
PICA1101
PICA1302
PILA101
PIRA6301
PIRA6501
PIUA20D1
NLLOUT0
PICA1301
PICA1402
PICN1802
PILA201
NLLOUT0
PIAV207
PICN1801
PIRA6302
NLLSPK
PIRA101
PIRA501
PIRA1602
PIRA1702
PIAV202
PICA6501
PIDA3401
PIRA6102
PIAV203
PICA6401
PIDA3501
PIRA6202
PICA302
PIQA20C
PIRA701
PICA601
PICA901
PILA102
PIUA1025
PICA602
PIRA1201
PICA701
PIRA1301
PICA702
PICA1602
PILA202
PIUA1023
PICA801
PIUA103
PICA802
PICA1202
PIRA1402
PICA902
PIUA1026
PICA1001
PIUA104
PICA1601
PIUA1022
PICA1701
PIUA1021
PICA1702
PICA2901
PILA301
PIUA1020
PICA1801
PICA2702
PIRA2501
PICA1901
PIRA2102
PIUA109
PICA2101
PIRA2101
PIRA2201
PIUA1010
PICA2301
PIUA1011
PICA2501
PIEA602
PIRA5901
PICA2601
PIEA702
PIRA6001
PICA2701
PIUA1012
PICA2801
PIUA1017
PICA2802
PICA3001
PILA401
PIUA1018
PICA2902
PIRA2602
PICA3002
PIRA2702
PICA6201
PIRA6002PIRA6201
PICA6301
PIRA5902PIRA6101
PICA6601
PIDA370K PIRA7101
PIDA10APIRA602
PIRA902
PIDA10K
PIEA501
PIQA20E
PIDA370A
PIRA7002
PIQA20B
PIRA1001
PIQA30B
PIRA802
PIQA30C
PIRA201
PIRA402
PIQA330B
PIRA6902
PIRA7102
PIRA302
PIRA502 PIRA601
PIRA1002
PIRA1501
PIRA1601
PIUA105
PIRA1701
PIRA1801
PIUA106
PIUA1013
PIUA20S1
PIUA20S2
PIUA30S1
PIUA30S2
PIAV204
PICA2201
PICA2402
PILA402
PIRA6401
PIRA6601
PIUA30D1
NLROUT0
PICA2001
PICA2202
PICN1803
PILA302
NLROUT0
PIAV206
PICN1804
PIRA6402
NLRSPK
PIRA801
NLSPI0WP0N
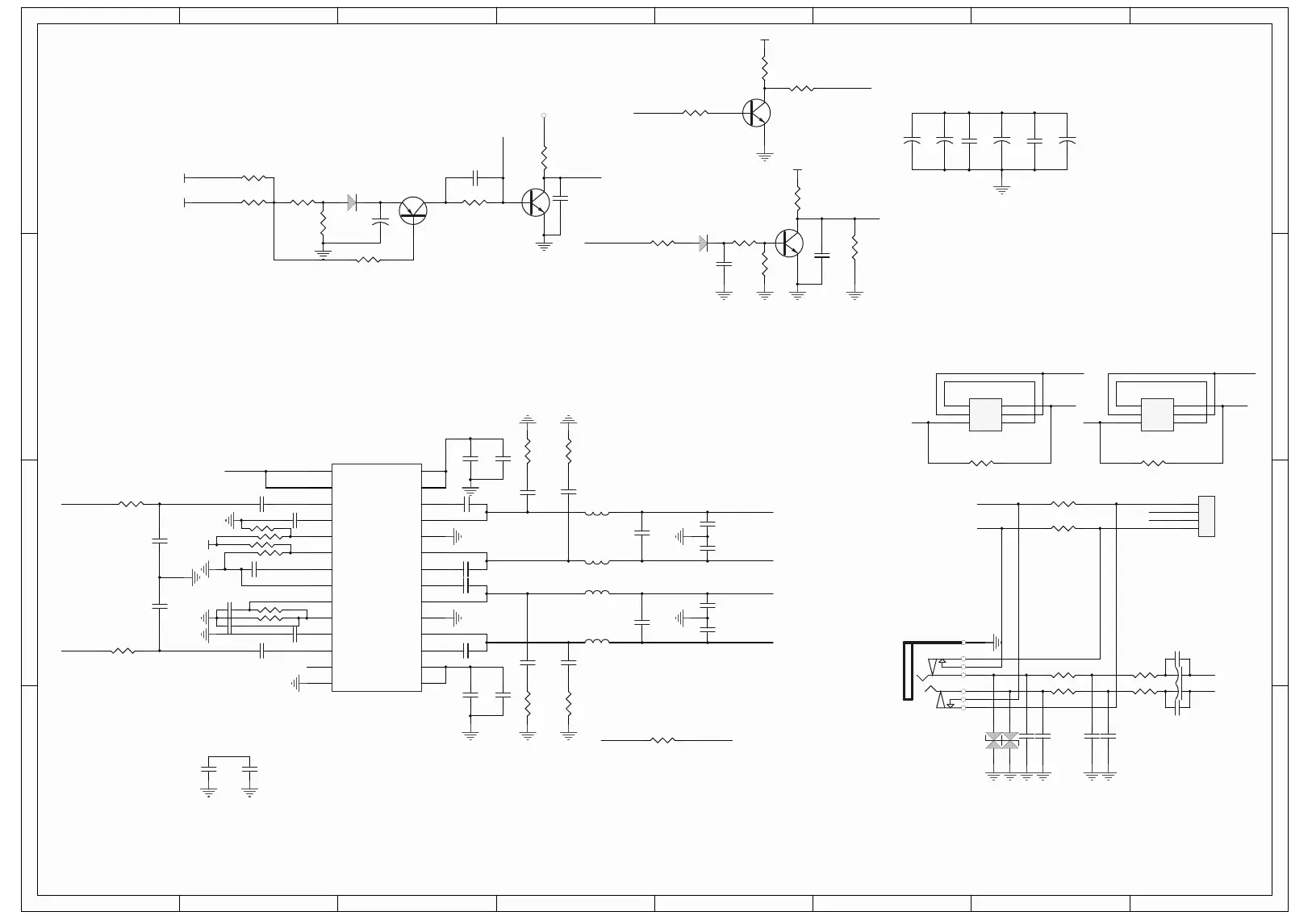
SCHEMATIC DIAGRAM (MAIN PCB BOARD)
H17

Related product manuals