EasyManua.ls Logo

Sharp XL 1700 - Executive Microsystem - Page 27

Sharp XL 1700 - Executive Microsystem
56 pages
Print Icon
To Next Page IconTo Next Page
To Next Page IconTo Next Page
To Previous Page IconTo Previous Page
To Previous Page IconTo Previous Page
Loading...
– 27 –
XL-1700/1700C
7
8 9 10 11 12
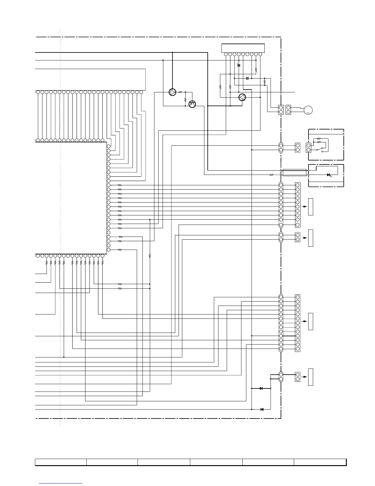
Figure 27 SCHEMATIC DIAGRAM (6/8)
M
MICROCOMPUTER/
FL DRIVER
CD LID MOTOR DRIVER
75
74
73
72
71
70
69
68
67
66
65
64
63
62
61
60
59
58
57
56
55
54
53
52
51
M
9 8 7 6 5 4 3 2 1
91 90 89 88 87 86 85 84 83 82 81 80 79 78 77 76
35 36 37 38 39 40 41 42 43 44 45 46 47 48 49 50
10
9
8
7
6
5
4
3
2
1
10
9
8
7
6
5
4
3
2
1
2
1
2
1
1
2
13
12
11
10
9
8
7
6
5
4
3
13
12
11
10
9
8
7
6
5
4
3
2
1
1
2
1
2 2
1
CD+B
P_CONT
CE
CLID_UP
SURROUND
STEREO
SD
B-LIGHT
CLID_DW
CLID_SW
DO
CL
DI
CLID_SW
P_MUTE
CLE
P_STB
CD-RW
PU-IN
BUS0
BUS1
BUS2
BUS3
BUCK
CCE
CD-RES
CD-STB
BUS0
BUS1
BUS2
BUS3
BUCK
CCE
CD-RES
CD-STB
PROTECT
P_STB
DATA
CLE
D_GND
SURROUND
P_MUTE
CD+B
DI
CE
CL
DO
STEREO
SD
+B +B +B
+B
AMP_DET
FAN
SP_RLY
PROTECT
LIGHT
DIMMER
SEG9
SEG10
SEG11
SEG12
SEG13
SEG14
SEG15
SEG16
SEG17
SEG18
SEG19
SEG20
SEG21
SEG22
SEG23
SEG24
SEG25
SEG26
SEG27
SEG28
SEG29
SEG30
SEG31
SEG32
SEG33
REMOCON
SYS_STOP
POWER
CLE
SURR
P-STB
P-MUTE
CD+B
P-CONT
DATA
ST
SD
B-LIGHT
CLID_UP
CLID_DW
PU-IN
38373635343332313029282726252423222120191817161514
1
2
1
2
1
2
1
2
1
2
1
2
FL DISPLAY
SWITCH PWB-A5
LED PWB-A8
CD LID
OPEN/CLOSE
TO SHIELD
SHEET
(242)
CD LID
1
23
1
23
P25 12-B
TO
CD PWB-A3
P29 11-F
TO
MAIN PWB-A1
P29 7,8-A
TO
MAIN PWB-A1
P29 11-A
TO
MAIN PWB-A1
CNP702CNP707 CNP703 CNP704
1N4148
1N4148
390
150K
68K
TA7291S
47/16
0.1
3.3K
82
1.5K
3.3K
KRC102 M
47K
2.2K
KTA1266 GR
KRC102 M
1K
1K
1K
1K
1K
1K
1K
1K
1K
1K
1K
1K
1K
IX0043SJ
1K
1K
1K
1K
1K
1K
1K
1K
1K
1K
47K
47K
1K
1K
1K
1K
47K
D702
D701
CNW707
CNW702
CNW703
CNW704
LED801
CFW703
CFW703A
R813
SW802
CNP706
R867
R866
CNW706
CNP705 CNW705
M801(246-6)
IC804
C845
C840
R838
R845
R836
R834
Q807
R824
R825
Q804
Q806
LCD701
R759
R754
R776
R777
R752
R751
R755
R748
R756
R750
R758
R760
R757
IC701
R764
R765
R761
R767
R763
R773
R772
R766
R774
R785
R786
R789
R762
R769
R768
R775
R784

Related product manuals