EasyManua.ls Logo

Sharp XL 1700 - Executive Microsystem - Page 42

Sharp XL 1700 - Executive Microsystem
56 pages
Print Icon
To Next Page IconTo Next Page
To Next Page IconTo Next Page
To Previous Page IconTo Previous Page
To Previous Page IconTo Previous Page
Loading...
XL-1700/1700C
– 42 –
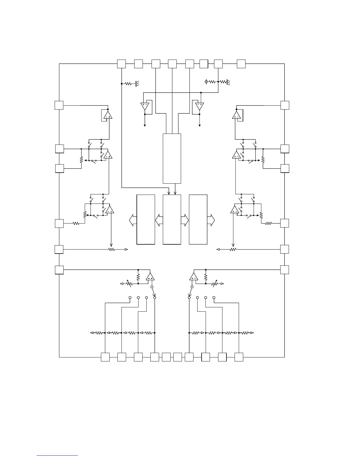
IC401 VHiLC75342M-1: Function/Volume Equalizer (LC75342M)
6
7
8
9
10
11 12 13 14
15 16 17 18 19 20
21
22
23
24
25
26
5
2728
30
29
1234
LVref
RVref
CCB
INTERFACE
CONTROL
CIRCUIT
LOGIC
CIRCUIT
CONTROL
CIRCUIT
ROUT
RBASS1
RBASS2
RTRE
RIN
RSEL0
L1L2L3L4 R1 R2 R3 R4
LOUT
LBASS2
LBASS1
LTRE
LIN
LSEL0
VSS CE DI CL VDD NCVref
NCNC
TEST
Figure 42 BLOCK DIAGRAM OF IC

Related product manuals