EasyManua.ls Logo

Sharp XL-60H

Sharp XL-60H
64 pages
To Next Page IconTo Next Page
To Next Page IconTo Next Page
To Previous Page IconTo Previous Page
To Previous Page IconTo Previous Page
Loading...
XL-60H/70H
– 28 –
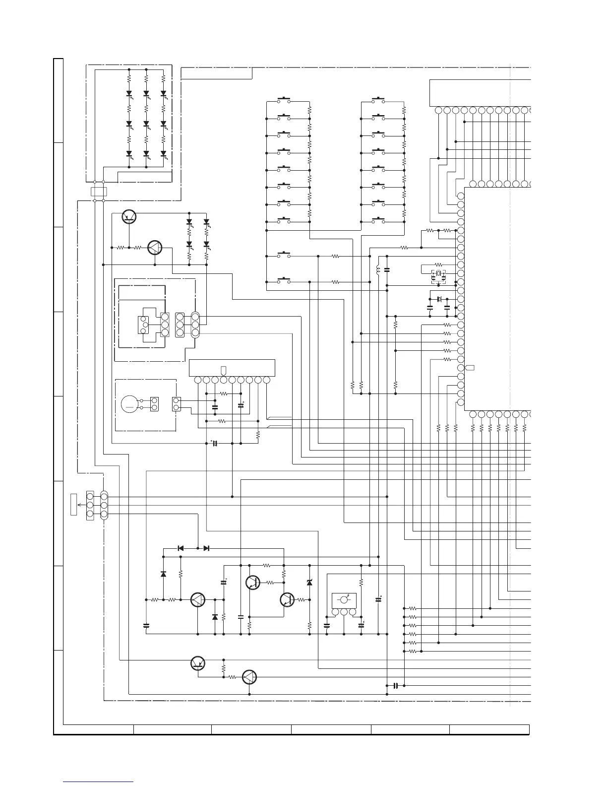
Figure 28 SCHEMATIC DIAGRAM (3/6)
A
B
C
D
E
F
G
H
1
23456
• NOTES ON SCHEMATIC DIAGRAM can be found on page 21.
C773
47/16
R799
2.2K
R723
47K
R7B2
47K
R7B3
2.2K
Q709
KRC102 M
R775
1K
D723
1N4148
D722
1N4148
C711
3.3/50
R7A2
100K
D721
1N4148
R7A9
3.3K
R7A6
1K
D720
1N4148
C710
0.01
R7A7
1K
Q701
KRC102 M
R7A0
1K
Q702
KTC3199 GR
R7A8
82
C715
100/10
R7A3
100
C713
10/16
RX701
REMOTE
SENSOR
3 2 1
C714
560P
Q703
KTC3199 GR
R7B0
10K
C712
0.01
R7A5
10K
R7A4
120
ZD701
MTZJ3.3B
R7A1
1K
R778
47K
R779
47K
R780
47K
R781
47K
R782
33K
R783
33K
Q707
KTA1266 GR
R792
47K
R793
2.2K
Q706
KRC102 M
1
C704
0.022
CFW701
R796
180
R794
180
D730
HY2043
D736
HY2043
Q708
KTA1266 GR
CNP706
CNS706
SW700
JOG
R797
180
R795
180
D737
HY2043
D732
HY2043
CNP705
C772
0.1
IC702
IC702
LOADING MOTOR DRIVER
TA7291S
9
8
7
6
5
4 3 2 1
R787
2.2(1/2W)
C771
47/16
R798
8.2K
100
99
98
97
96
95
94
9
3
32
31
30
29
28
27
26
25
24
23
22
21
20
19
18
17
16
15
14
13
12
11
10
9
8
7
6
5
4
3
2
1
R705
5.6K
SW717
PTY.PI
R715
3.9K
SW716
EON
R716
2.7K
SW715
ASPM
R717
2.2K
SW714
DISPLAY MODE
R718
1.5K
SW713
VOLUME SELECT
R719
1.2K
SW712
PLAY/CD PAUSE
R720
1.2K
SW728
VOLUME/JOG
SW727
FUNCTION
R706
3.9K
SW726
TUNING DOWN
R707
2.7K
SW725
STOP/ CLEAR
R708
2.2K
SW724
REC. PAUSE
R709
1.5K
SW723
BAND
R710
1.2K
SW722
BASS/TREBLE
R711
1.2K
R725
10K
R724
1.2K
C703
0.022
L701
100µH
R701
10K
R702
10K
SW709
ON/STAND-BY
SW710
CLOCK/TIMER/SLEEP
R721
10K
R722
10K
SW721
MEMORY/SET
SW711
TUNING UP
R7D3
82
D707
MPG3372X
D709
MPG3372X
R7D8
82
R7D2
82
D702
MPG3372X
R7E1
82
D703
MPG3372X
D701
MPG3372X
R7D4
82
R7D1
82
D705
MPG3372X
R7D9
82
D706
MPG3372X
R7D6
82
D704
MPG3372X
R7D5
82
D708
MPG3372X
R738
1K
R737
1K
R739
1K
R740
1K
R741
1K
R730
1K
R734
1K
R733
1K
R732
1K
R731
1K
R743
1K
R744
1K
X701
8 MHz
C702
22P
(CH)
C701
22P
(CH)
R728
1K
R745
R746
1K
R729
47K
R727
47K
X702
32.768kHz
BI707
NC
NC
MVOL_DW
MVOL_UP
2.5V
2.5V
2.5V
2.5V
2.5V
2.5V
2.5V
2.5V
2.5V
2.5V
1.7V
3.3V
2.6V
2.6V
2.4V
1.9V
0.6V
5V
5V
5V
5V
0V
5V
5V
5V
5V
5V
5V
0V
0V
0V
0V
0V
0V
0V
2.5V
11.7V
11.7V
0V
0V
0V
0V
0V
2
1
CLID_PRO
VDD
VLC1
VLC2
VLC3
COM0
COM1
COM2
COM3
SEG0
SEG1
SEG2
SEG3
SEG4
SEG5
SEG6
OSC1
MMOD
VREF+
TAPE_SW
OSC2
CLID_SW
DI
KEY1
MOT
REC
VSM
MODEL
KEY2
VREF
XO
XI
VSS
RESET
CL
DO
CE
SOL
1
11
10
9
8 7
6
5
4
3
2
1
2
1
M
3
2
1
CNS705
2
1
M701
JOG MOTOR
2
1
1
2
3
1
2
3
2
3
3
2
1
3
2
1
BI706
DISPLAY PWB-A2
LED PWB-A4
JOG SWITCH
PWB-A7
1
1
2
2
3
3
CNS707
B
A
C
+B
SWITCHING
SWITCHING
+B
+B
+B
+B
+B
+B
+B
RESET
SWITCHING
SWITCHING
SWITCHING
SWITCHING
+B
+B
+B
+B
+B
+B
+B
CNP707
P27 10-G
TO POWER
PWB
R735
1K
SW718
SURROUND
R714
5.6K

Other manuals for Sharp XL-60H

Related product manuals