EasyManua.ls Logo

Sharp XL-DK257N - Page 35

Sharp XL-DK257N
104 pages
Print Icon
To Next Page IconTo Next Page
To Next Page IconTo Next Page
To Previous Page IconTo Previous Page
To Previous Page IconTo Previous Page
Loading...
XL-DK257N
6 – 13
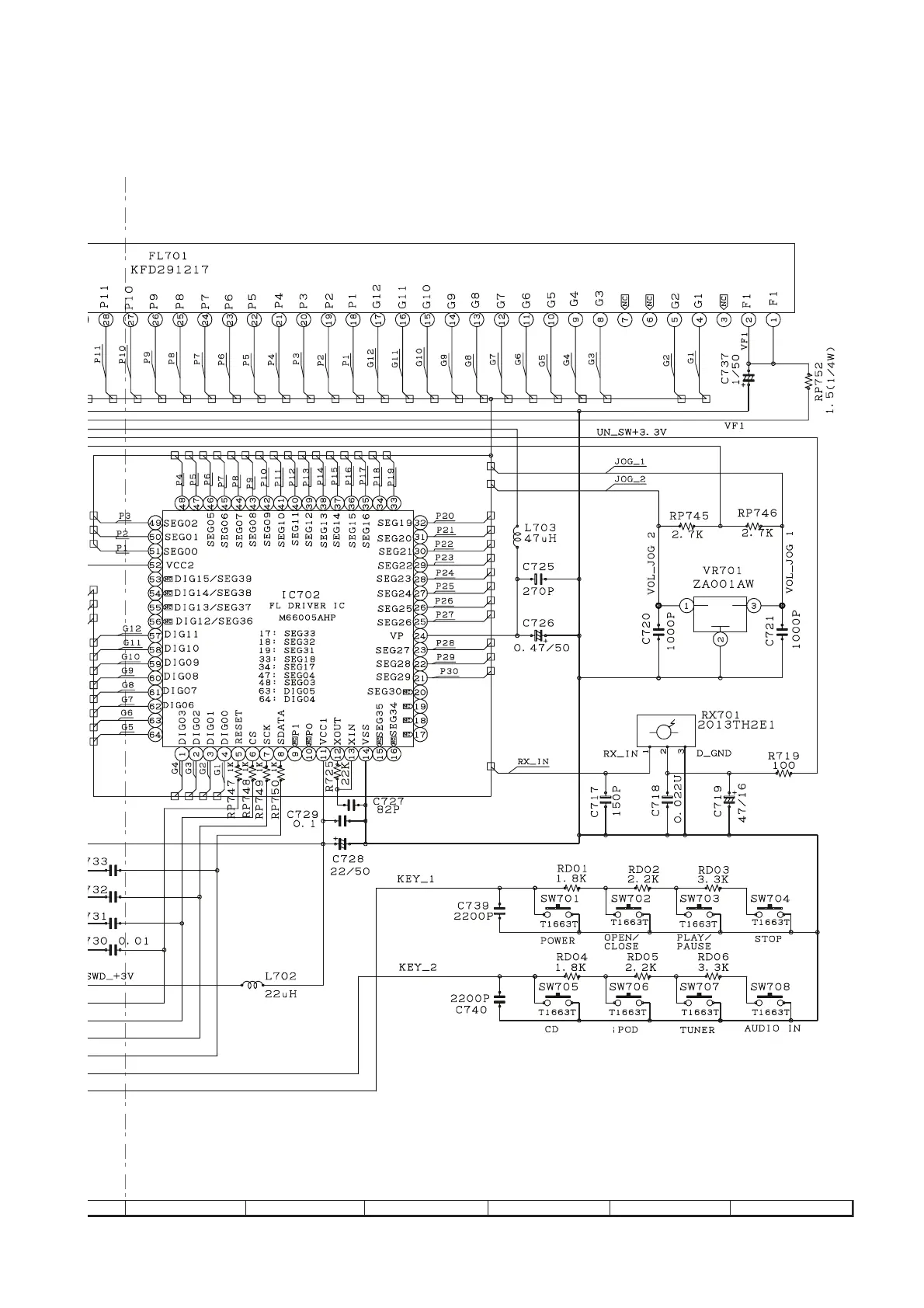
Figure 6-12: DISPLAY & VOLUME LED LIGHT-UP SCHEMATIC DIAGRAM (2/2)
7
8 9 10 11 12
270P
1000P
1000P

Related product manuals