EasyManua.ls Logo

Sharp XL-DK257N - Page 40

Sharp XL-DK257N
104 pages
Print Icon
To Next Page IconTo Next Page
To Next Page IconTo Next Page
To Previous Page IconTo Previous Page
To Previous Page IconTo Previous Page
Loading...
XL-DK257N
6 – 18
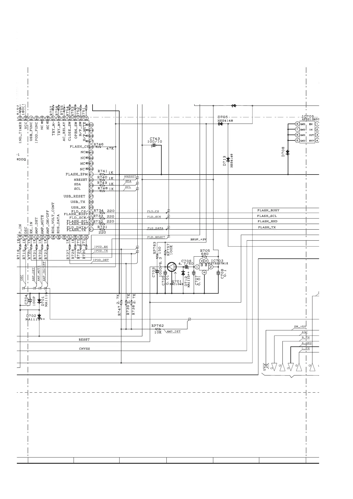
Figure 6-17: MICOM & HEADPHONE SCHEMATIC DIAGRAM (5/6)
FROM MAIN SECTIO
N
(AUDIO PRO OUTPU
T
2.7K
MA111G
7
8 9 10 11 12

Related product manuals