EasyManua.ls Logo

Sharp XL-DK257N - Page 41

Sharp XL-DK257N
104 pages
Print Icon
To Next Page IconTo Next Page
To Next Page IconTo Next Page
To Previous Page IconTo Previous Page
To Previous Page IconTo Previous Page
Loading...
XL-DK257N
6 – 19
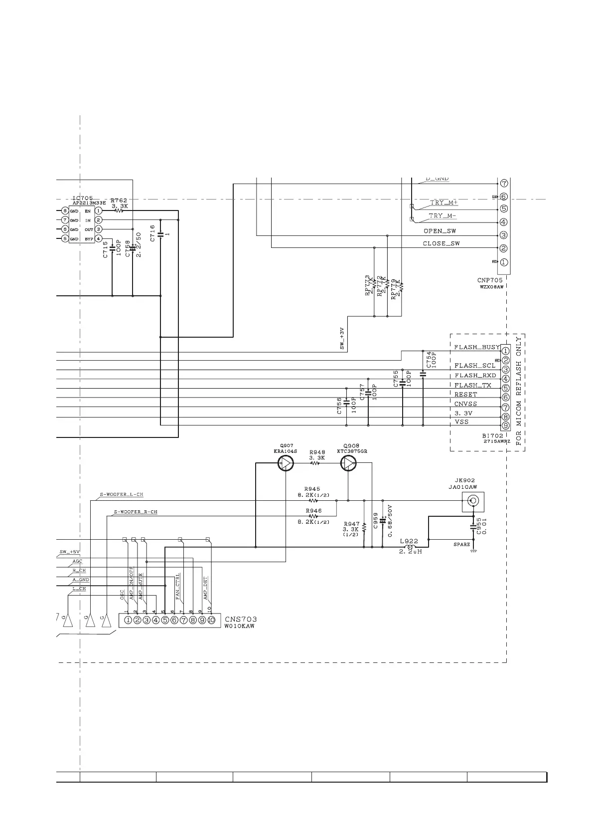
Figure 6-18: MICOM & HEADPHONE SCHEMATIC DIAGRAM (6/6)
TO CD MP3 PWB-D
N SECTION
R
O OUTPUT)
TO AMP SECTION
MA111G
13
14 15 16 17 18

Related product manuals