EasyManua.ls Logo

Sharp XL-DK257N - Page 42

Sharp XL-DK257N
104 pages
Print Icon
To Next Page IconTo Next Page
To Next Page IconTo Next Page
To Previous Page IconTo Previous Page
To Previous Page IconTo Previous Page
Loading...
XL-DK257N
6 – 20
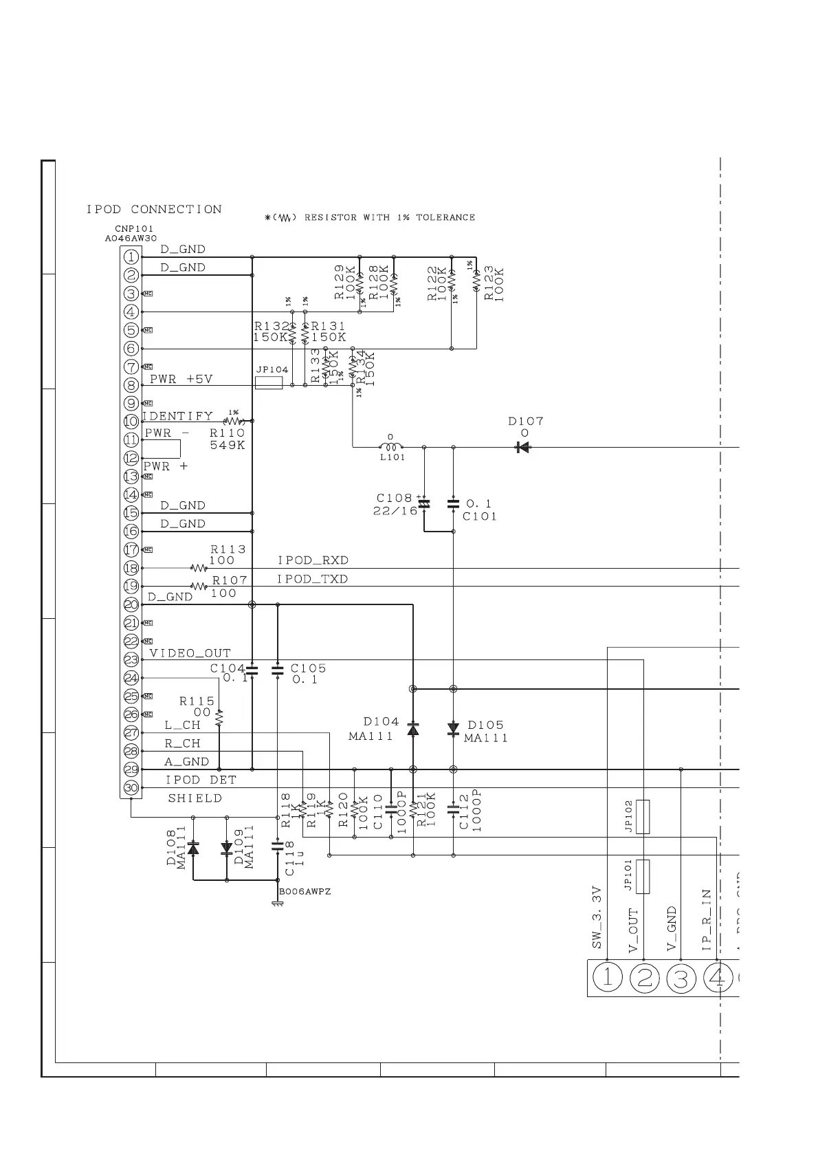
Figure 6-19: iPOD SCHEMATIC DIAGRAM (1/2)
A
B
C
D
E
F
G
H
1
23456
GND
(CHASSIS)

Related product manuals