EasyManua.ls Logo

Sharp XL-DV5 - Chapter 4. Diagrams; Block Diagrams Overview

Sharp XL-DV5
68 pages
Print Icon
To Next Page IconTo Next Page
To Next Page IconTo Next Page
To Previous Page IconTo Previous Page
To Previous Page IconTo Previous Page
Loading...
XL-DV5/DV50
4 – 1
AudioXL-DV5/DV50Service ManualXLDV50/5MarketE
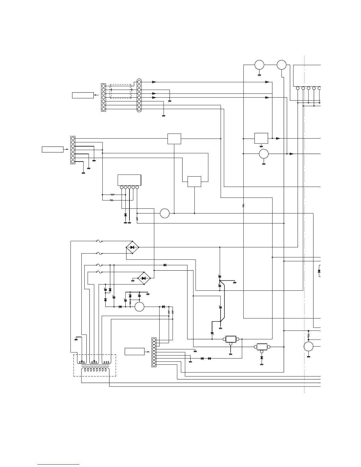
CHAPTER 4. DIAGRAMS
[1] BLOCK DIAGRAM
+5V+B
+B
+B
+B
+B
+B
+B
+B
+B
+B
+B
+B
+B
+B
+B
+B
+B
+B
+B
+B
+B
+B
+B
+B
+B
+B
+B
+B
+B
+B
+B
+B
3.3K
LM2576T
KIA7812API
31
KIA7805API
31
9
POWER TRANSFORMER
(MAIN)
8
7
6
5
4
3
2
1
2
2
+5.6V
+7V
3.15A 125V
GNDA
2A 125V
VCCA
VCC2
GNDRF
GND
VCC1
S12V
+10V
MGND
5A 125V
5A 125V
VF1
VF2
+B1
–B1
AGND
+B2
DGND
DGND
3.8V
3.8V
–30V
–B
–B
–B
–B
–B
D_GND
+5.6V
P_CON
VCC
NC
NC
VEE
VCC
+12V
GND
S/W
R_CH
A_GND
L_CH
1
4
7
3
2
5
6
1
7
5
2
6
4
8
3
2345
12345
5
4
6
2
3
1
7
1
TO TUNER PWB
FROM DVD PWB
FROM
DISPLAY PWB
A GND
A GND
VOLTAGE
REGULATOR
VOLTAGE REGULATOR
CNW602
CNS602
CNP807
R155
IC203
IC201
IC202
CNP101
D205
C211
D201
F201
F202
F204
C212
T201
F203
Q101
Q102
Q117
Q118
Q213
Q214
Q115
Q116
Q201
Q207 Q208
Q203
Figure 4-1 BLOCK DIAGRAM (1/6)

Related product manuals