EasyManua.ls Logo

Sharp XL-DV5 - Page 16

Sharp XL-DV5
68 pages
Print Icon
To Next Page IconTo Next Page
To Next Page IconTo Next Page
To Previous Page IconTo Previous Page
To Previous Page IconTo Previous Page
Loading...
XL-DV5/DV50
4 – 3
CD_SOL2
CD_PH2
MM+
MM–
D_GND
CD_SOL1
CD_PH3
SW1
SW2
SW3
SW4
SW5
SW6
SW7
SW8
MOTOR
SOLENOID
PHOTO
INTERRUPTER
CD CHANGER PWB ASS'Y
DVD DECODER SECTION
1
2
3
4
5
6
7
8
9
10
11
12
13
14
15
M
FM/AM
OUT
IF OUT
IF IN
AM IN
FM IN
AOUT
XIN
XOUT
IF REQ
R
R
L
L
R
L
FM/AM
MPXIN
MO/ST
VCO
FM
DET
FM+B
GND
AM IF
AM MIX
OUT
FM+B
+B5
CLK
+B5
+B5
A_12V
+B5
A_12V
AM IF
OSC
BUFF
10.7 MHz
450 kHz
DO
DI
CE
FM
MO/ST
SWITCHING
FM/AM
IC302
LC72131
PLL(TUNER)
AM RF IN
AM OSC IN
AM OSC OUT
FM
Q360
VT
X352
4.5 MHZ
AM BAND
COVERAGE
AM
TRACKING
FM RF
FM OSC
FM IF
T302 T306
L302
L303
X351
456 kHz
ZD351
5.1V
CF351
IC303
LA1832S
FM IF DET.
FM MPX./AM IF
CF352
T351
CF303 CF302T304
Q302
Q306
BF301
B.P.F
910
18
54
1
3
21
7
98517
6
21
21
20 22 11 12
17
1615
13
1312
R
L
21423
1411
R
L
1411
R
L
CL
DI
CE
1624 921
CL
VDD
L/R OUT
214
4
1
3
L/R OUT
23
8
VDD
DI
CE
24 21
R
L
169
33
14
12
15
162324
4
10
STEREO
7
SD
6
+B5
384
1
9
6
5
7
AM LOOP/FM
ANTENNA
CNP301
IC301
TA7358AP
FM FRONT END
IC603
LC75341M
AUDIO PROCESSOR
IC602
NJM4558D
BUFFER AMP.
IC601
LC75341M
AUDIO PROCESSOR
+B6
3
2
1
TO MAI
N
CNP
FROM
D
CNS
CNS302
6
4
5
2
3
8
9
7
1
D_G
CE_
W
CE_WOOF
SD
FM_
S
DI
DO
SUB
_
CE
CL
DI
DI
DO
CE
CE
CL
CL
CNP602
6
7
4
5
2
3
1
A_GND
R-CH
+7V
+7V
+7V
D_GND
+12V
SW_CH
L-CH
AM
FM
DVD/CD_L/R
R
L
1312
DVD/CD_SUB
TUN_L/R
L-CH
R-CH
VIDEO/AUX
AUDIO IN
AUX_L/R
SW_CH
SO601
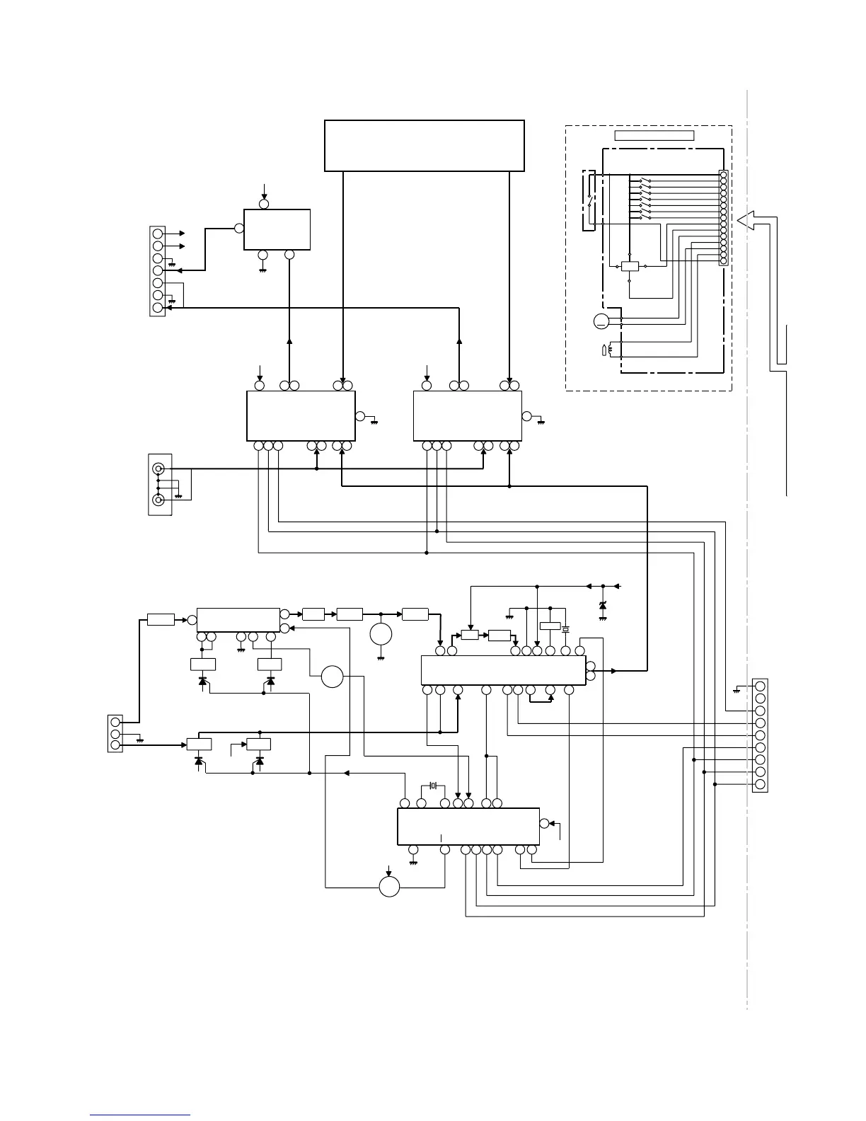
Figure 4-3 BLOCK DIAGRAM (3/6)

Related product manuals