EasyManua.ls Logo

Sharp XL-T200H - Page 23

Sharp XL-T200H
44 pages
Print Icon
To Next Page IconTo Next Page
To Next Page IconTo Next Page
To Previous Page IconTo Previous Page
To Previous Page IconTo Previous Page
Loading...
– 23 –
XL-T200H
7
8 9 10 11 12
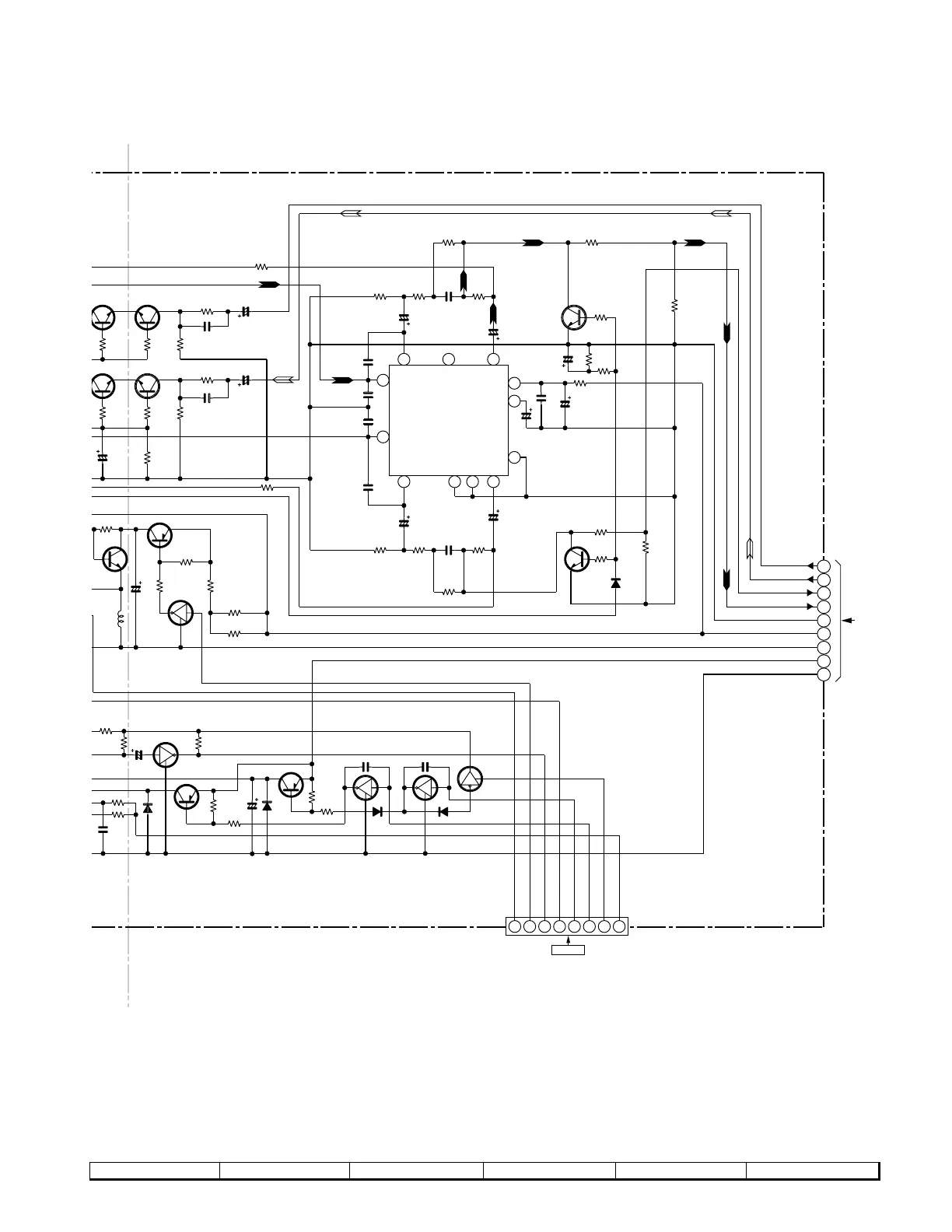
Figure 23 SCHEMATIC DIAGRAM (10/10)
3.2V
0.7V
0V
11.8V
11.8V
11.7V
11.7V
11.7V
0V
4.4V
0.6V
4.9V
11.9V
M 12V
(0.8V)
0.3V
(0V)
1.5V
(0.8V)
0.3V
0.3V
(0.8V)
(0V)
1.5V
0.3V
(0.8V)
0.6V
0.7V
10.2V
4.6V
10.1V
4.6V
0V
0V
0V
0.6V
0V
0V
0.7V
)
V
(0V)
7.8V
8.3V
(0V)
4.7V
10
9
8
5
2
1 2 3 4 5 6 7 8
11 6
7
12
3
4 1
REC
RUN_PLS
BIAS
B_CAN
TAPE_SW
U_CON5V
SOL
MOT
TAPE R
TAPE L
A_12V
A_GND
A_GND
+B
+B
+B
+B
+B
+B
+B
M_12V
REC R
REC L
9
10
11
12
13
14
15
16
17
1
23
1
23
1
1
3
3
2
2
FROM MAIN PWB-A1(1/3)
REC./P.B.
EQUALISER
AMP.
CNW703
P17 12-G
FROM
DISPLAY-B1
P18 3-C
18K
1N4148
270
47K
3.3/50
KRC107 M
10K
KRA102 M
1N4148
0.022
1N4148
0.022
1.5K
1N4148
1.5K
100/25
2SB562-C
33K
0.001
2SB562-C
10K
KRC102 M
C
3199 GR
15K
4.7
K
4.7K
100
0.0022
22K
4.7/25
4.7/25
22K
0.0022
100
4.7K
KTC3199 GR
4.7K
T
C3199 GR
10/16
100K
15K
330P
330P
270P
120
47/16
150K
0.015
3.9K
10/16
4.7K
KTC3199 GR
2.2K
3.3K
100/25
330
22/16
1K
100K
0.022
2.2/50
BA3311L
10/16
47/16
120
10K
0.015
3.9K
150K
1N4148
KTC3199 GR
2.2K
4.7K
3.3K
100K
C
2001 K
KTA1266 GR
10K
10K
56
100/16
150
150
KRC104 M
330µH
7
270P
KRC102 M
56K
KTC3199 GR
10K
CNP703
R909
D901
R904
R903
C902
Q903
R905
Q906
D903
C904
Q904
D904
C905
R906
D902
R901
C903
Q902
R910
C901
Q905
R907
Q901
Q101
R115
R123
R119
C115
R117
C129
C130
R118
C116
R120
R124
Q104
Q102
R125
R116
C104
C103
C105
R103
C107
R107
R105
C109
R109
C111
R131
Q105
R111
R113
C125
R141
C126
R133
R134
C118
C123
IC102
C112
C108
R104
R108
C110
R110
R106
D104
Q106
R112
R132
R114
1
R152
Q
151
Q152
R155
R153
R154
R156
R157
Q153
L151
4
C106
C155
R902
Q103

Related product manuals