EasyManua.ls Logo

Sharp XL-T200H - Wiring Side of P.w.board

Sharp XL-T200H
44 pages
Print Icon
To Next Page IconTo Next Page
To Next Page IconTo Next Page
To Previous Page IconTo Previous Page
To Previous Page IconTo Previous Page
Loading...
XL-T200H
– 24 –
A
B
C
D
E
F
G
H
1
23456
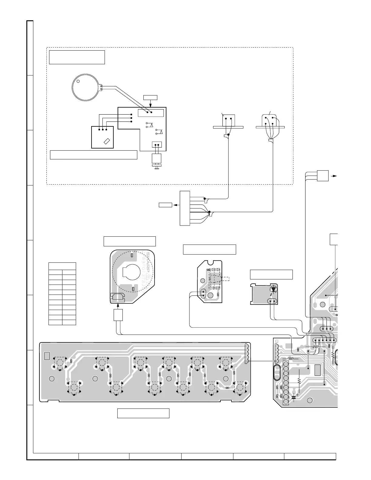
Figure 24 WIRING SIDE OF P.W.BOARD (1/4)
R836
R834
R838
C840
C717
R795
R789
R847
R845
R711
R710
R709
R708
R707
R706
R705
R720
R702
-
+
SW902
(212-8)
SW901
(212-7)
7654321
TAPE MECHANISM
ASS'Y (212)
TAPE MECHANISM PWB-E,F
RECORD/PLAYBACK
HEAD
ERASE HEAD
WH
BK
GR
1
2
3
4
5
6
7
8
9
GR
RD
WH
BK
P27 8-F
TO MAIN PWB-A1
CNP101
CNW901
P27 8-G
FROM MAIN PWB-A1
TAPE
MOTOR
WH
RD
RD
OR
YL
SOLENOID
CAM
FOOL
PROOF
PHOTO
INTERRUPTER
WH
BK
BK
BK
RD
GR
WH
BK
CNW902B
CFW706A
Q807
LED801
IC804
L702
C845
R860
R783
CNW902
CN
W
R813
Q804
SW710 SW712
SW728 SW726 SW724
SW721
SW802
CFW706B
CNW902A
SW722
SW723
SW725
SW727
SW711SW709
M801
(243-6)
CNP902C
CNW101
PH901
M901(212-9)
SOL901
(212-4)
1
5
1
1
2
3
1
2
3
4
5
6
7
8
9
5
1
2
1
1
3
6
C
13
1
2
BR
COLOR TABLE
RD(R)
OR
YL
GR
BL
VL
GY
WH(W)
BK
PK
BROWN
RED
ORANGE
YELLOW
GREEN
BLUE
VIOLET
GRAY
WHITE
BLACK
PINK
CD LID
MOTOR
CD LID
GY
RD
GY
GY
GY
GY
GY
BK
GY
RD
GY
BK
BK
BK
BK
BK
12
MOTOR PWB-A3
SWITCH PWB-B2
SWITCH PWB-B3
LED PWB-B5
13 12
1
21
1
2
3
BK
GY
GY

Related product manuals