EasyManua.ls Logo

SHIMGE PW - Installation of the Electric Pump and the Precautions

Default Icon
22 pages
Print Icon
To Next Page IconTo Next Page
To Next Page IconTo Next Page
To Previous Page IconTo Previous Page
To Previous Page IconTo Previous Page
Loading...
VII. Installation of the Electric Pump and the Precautions
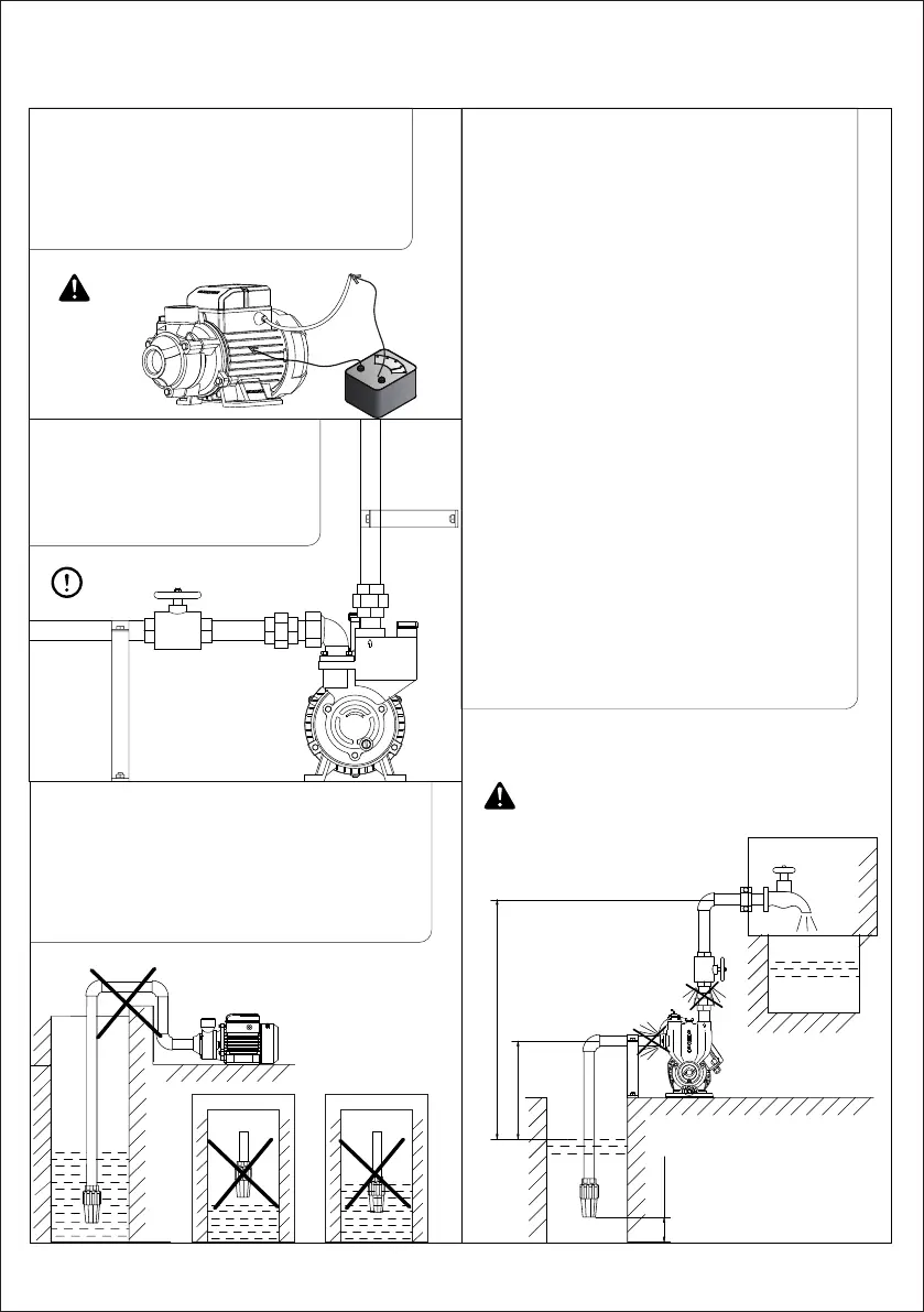
Before installation and use, you should check
whether the electric pump is damaged during
the transportation and storage, such as whether
the cable, outgoing line and the plug (if
equipped), etc. are intact and whether the
insulation resistance is higher than 50MΩ.
When installing, you should fix the
pump well, and both the inlet and
outlet pipelines should be supported
by support frames and not only by
the pump body.
Suction(Hs)
Head(H)
1. Use steel tube or rubber tube (not too soft for
fear of being sucked flat) to connect the foot
valve and the inlet of the electric pump, and the
inlet pipeline and the junction part shall be
ensured sealed without leakage.
2. The water outlet shall be connected firmly in
case of water splashing on the motor part and
cause electricity leakage of the electric pump.
When using the rubber tube, please pay
attention to its temperature tolerance limit and
avoid breakage and water leakage of the rubber
tube resulted from its heating and deformation.
3. After connecting the upper end of the inlet
pipe and the inlet of the electric pump, you
should ensure that the foot valve of the water
inlet is immersed in the water. In order to ensure
the reliable use of the electric pump, you should
set the effective filter screen and the foot valve
and the filter screen are requested to be over
30cm far from the bottom of pool in case that the
mud and sand are absorbed into the pump cavity
and affect the operation.
4. At the same time, it is required that the
installation of the pipelines should be as short as
possible and try to avoid multi connectors, and
the suction height shall not exceed the suction
requirement of the electric pump.
1. When using, you should pay attention to the
water level and not expose the foot valve or lower
end of the inlet pipe above the water surface.
2. When installing the water inlet, please pay
attention that the height of the inlet pipe shall not
exceed that of the inlet of the pump, or it will
cause the suction difficulty of the pump.
WARNING
NOTICE
30cm
13