EasyManua.ls Logo

Siemens 6SE7041-8EK85-1AA0 - Page 132

Siemens 6SE7041-8EK85-1AA0
274 pages
To Next Page IconTo Next Page
To Next Page IconTo Next Page
To Previous Page IconTo Previous Page
To Previous Page IconTo Previous Page
Loading...
Start-Up 09.02
4-50 Siemens AG 6SE7087-6AK85-1AA0
Rectifier/Regenerating Unit Operating Instructions
1
0
=
MI 1
MI 2
MI 3
MI 4
MI 5
MI 6
MII 1
MII 2
MII 3
MII 4
MII 5
MII 6
(0011)
P797
*1)
*1)
6005
6004
6003
0
0%
P486 (0)
K120
K119
K113
K110
K147
K131
K118
K132
r034
+
-
K100
r033
P315
(0010)
P141
P140
P142
P143
K116 K115
K117
K121
P160 (150,0%)
P161 (-150,0%)
P797
(0011)
K287
P775 (0°)
0.05%
I
0
II
P773
P774
(2111)
P312
K310
K305
P774
(-3,00%)
P773
(0,01%)
P074
(61%)
P076
(002)
P310
(0,15)
P311
(0,015s)
P777
165°
P776
K116
P785 (1)
P776
(150°)
P777
(20,00%)
K102
P312
(2111)
87564321
Sheet 2
P778, P779, Id, Ud, U_netw
(filtering/averaging
and phase correction
of network passages
through zero)
SST2 peer-to-peer, word 5
SST2 peer-to-peer, word 4
SST2 peer-to-peer, word 3
Id control, firing pulse
Ud_setpoint
U netw> P074
Control word, bit27
(source selection
with P587)
Actual value average
(average value with
6 sampling values
of the current
firing cycle)
*1) 0... current value
1 ... average of three
2 ... intermittent: average of three
continuous: actual value
*2) K119:= 0 at detected commutation failure,
on return (if K120 > 0)
network voltage failure (if K120 < 0)
K119:= -0,006%, if all conditions are
fulfilled that prevent reg. feedback
on P797=xx1x
Ud//Id control
switchover
(Mester-/Slave-
operation)
P312 (2111)
P component (active)
I component (active)
U_netw_infeed
U_netw_regenerative_feedback
alpha-G
alpha-W
Disable regenerative feedback on:
STW1.Bit12 = 0 (no regen._feedback enable),
Ud > 0,9375*1,35*U_netw_regen._feedback or
Ud > 0,875*1,35*U_netw_regen._feedb. at AUS1,
Ud > 1,35*U_netw_regen._feedback*P318/100%
(if the Ud_set reduction logic demands it),
U_netw_regen._feedback < P074,
precharging (ramp_function ramp acc. P329),
P076=xx1 (motorized operation only)
Lowest neg.
current limit
Temperature model,
limitation to
+/-150%, +136%/-125%
or +100%/-92%
Thyristor
temperature rise
STW1, bit 12
(source
selection
with P572)
Ud (last sampling value)
U_new_regenerative_feedback
Stop I component
I component = 0
Infeed / regenerative feedback / no supply direction
alpha-W-shift
Id at intermittent limit
Current limit
in infeed direction
currrent limit in
regenerative
feedback direction
Control word I2t
Id_set
Setpoint average
Long / short
pulses
Additional
alpha-W-pulse
Selection Id
setpoint for Id control
Logic for
preventing infeed
or regenerative
feedback
*2)
Lowest pos.
current limit
Feedforward control
Id controller
U_contr
Ud
Id
from Sheet 1
R_in
R_regen L_regen
Kp
Tn
Id at intermittent
limit
0 bzw.
-0,006%
|Id|
Id
L_in
Id
Control set
Id
Ud
Id, set
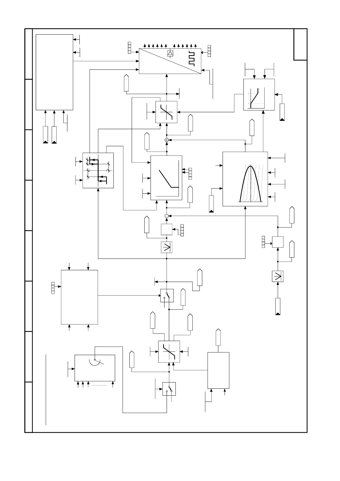
Figure 4.4.2 Id control, firing pulse
https://www.aotewell.com
AoteWell Automation Sales Team
Sales@aotewell.com
AoteWell LTD
Buy Siemens PLC HMI Drives at AoteWell.com
https://www.aotewell.com

Table of Contents

Related product manuals