EasyManua.ls Logo

Siemens CU240E-2 - Page 21

Siemens CU240E-2
36 pages
Print Icon
To Next Page IconTo Next Page
To Next Page IconTo Next Page
To Previous Page IconTo Previous Page
To Previous Page IconTo Previous Page
Loading...
Commissioning
4.2 Commissioning with BOP-2 operator panel
CU240B-2 and CU240E-2 Control Units
Compact Operating Instructions, 01/2017, A5E39910322B AA
21
When selecting an application class, the inverter assigns the appropriate default settings to
the motor control:
Standard Drive Control (Page 22)
Dynamic Drive Control (Page 24)
EXPERT: This procedure is described in the operating instructions.
Overview of the manuals (Page 33)
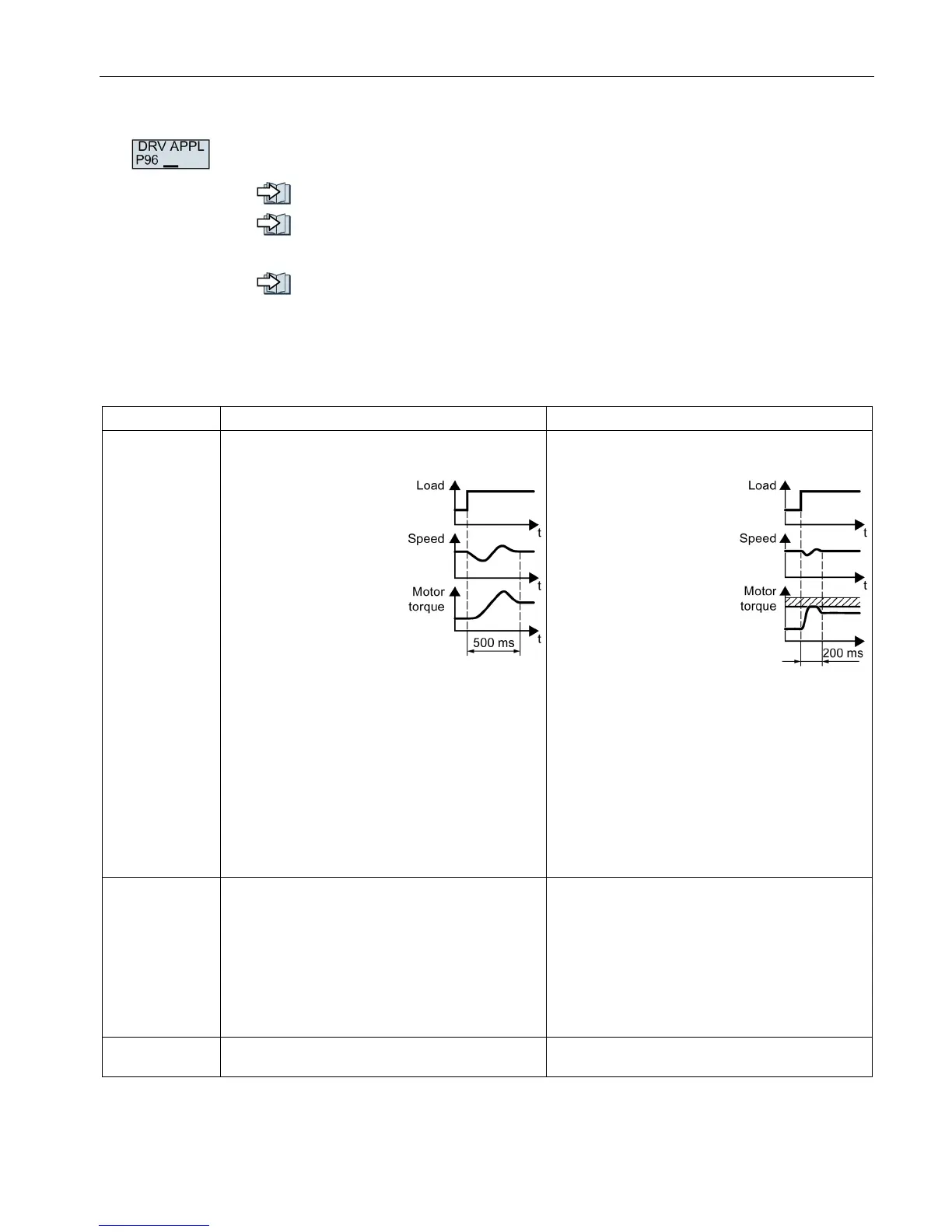
Selecting a suitable application class
When selecting an application class, the inverter assigns the appropriate settings to the
motor control.
Application class
Standard Drive Control
Dynamic Drive Control
Characteristics
Typical settling time after a speed change:
100 ms200 ms
Typical settling time
after a sudden load
change: 500 ms
Standard Drive
Control is suitable
for the following re-
quirements:
Motor power
ratings < 45 kW
Ramp-up time
0 Rated speed (dependent on the rated
motor power): 1 s (0.1 kW) 10 s (45 kW)
Applications with constant load torque
without load surges
Standard Drive Control is insensitive to inaccu-
rate motor data settings
Typical settling time after a speed change:
< 100 ms
Typical settling time
after a sudden load
change: 200 ms
Dynamic Drive Con-
trol controls and lim-
its the motor torque
Torque accuracy
that can be
achieved: ± 5 % for
15 % … 100 % of
the rated speed
We recommend Dynamic Drive Control for the
following applications:
Motor power ratings > 11 kW
For load surges of 10 % … >100 % of the
rated motor torque
Dynamic Drive Control is necessary for a
ramp-up time 0 rated speed (dependent on
the rated motor power):
< 1 s (0.1 kW) … < 10 s (132 kW).
Application ex-
amples
Pumps, fans, and compressors with flow char-
acteristic
Wet or dry blasting technology
Mills, mixers, kneaders, crushers, agitators
Horizontal conveyor technology (conveyor
belts, roller conveyors, chain conveyors)
Basic spindles
Pumps and compressors with displacement
machines
Rotary furnaces
Extruder
Centrifuge
Motors that can
be operated
Induction motors Induction and synchronous motors

Other manuals for Siemens CU240E-2

Related product manuals