EasyManua.ls Logo

Siemens LMV52.200B1 - Page 30

Siemens LMV52.200B1
327 pages
To Next Page IconTo Next Page
To Next Page IconTo Next Page
To Previous Page IconTo Previous Page
To Previous Page IconTo Previous Page
Loading...
30/327
Building Technologies Basic Documentation LMV5... CC1P7550en
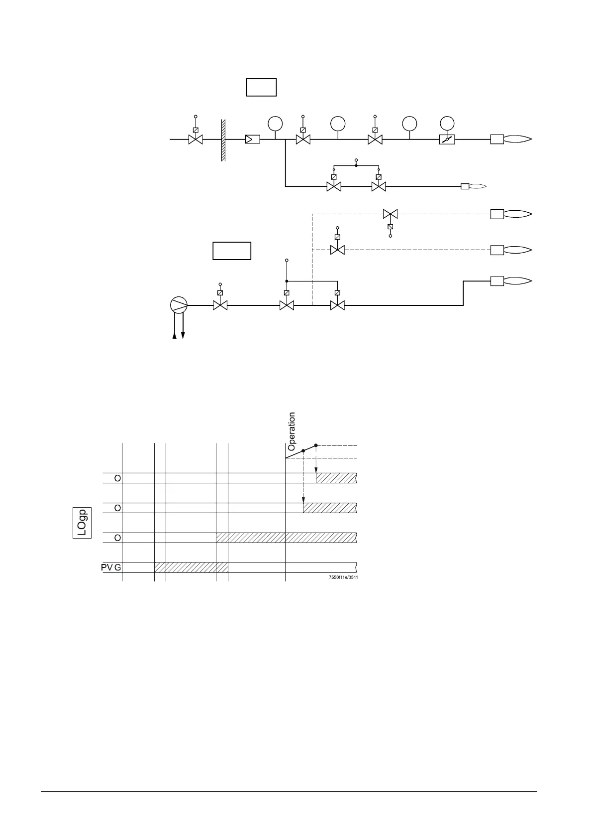
3 Fuel train (examples) 22.05.2018
V1 gas V2 gas
SV gas
Gas
PS
max
PS
min
PS
VP
Light oil
ACT
PV gas
Gp2
7550s15E/0202
SV oil
LOgp
V1 oil
V3 oil
V2 oil
Figure 20: Fuel train application – dual-fuel burner gas / light oil, with gas pilot ignition
Light oil (with gas pilot ignition)
V2
S
t
a
g
e
o
p
e
r
a
t
i
o
n
MIN
MAX
V1
V2
V3
V3
T
S
A
2
T
S
A
1
Figure 21: Fuel train application – fuel valve control
Legend (fuel trains)
LO Light oil
TSA Safety time
PV Pilot valve
V Fuel valve
Dual-fuel burner gas / light oil
with gas pilot ignition
Fuel valve control

Table of Contents

Related product manuals