EasyManua.ls Logo

Siemens SINAMICS DCM - Page 122

Siemens SINAMICS DCM
758 pages
To Next Page IconTo Next Page
To Next Page IconTo Next Page
To Previous Page IconTo Previous Page
To Previous Page IconTo Previous Page
Loading...
Connecting
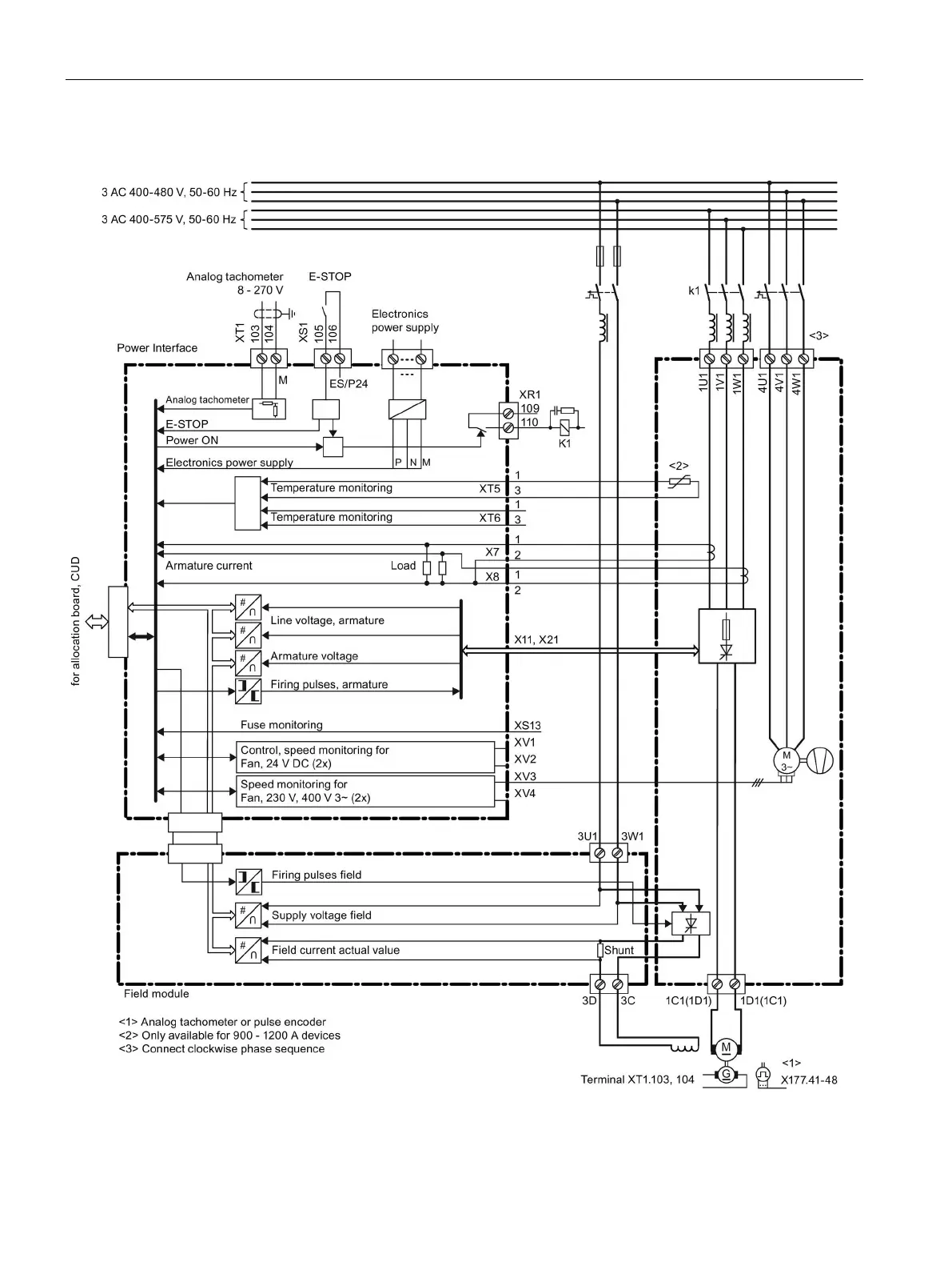
6.3 Block diagram with connection suggestion
SINAMICS DCM DC Converter
120 Operating Instructions, 12/2018, A5E34763375A
900 A to 3000 A devices, three-phase fan connection
Figure 6-22 Block diagram for 900 to 3000 A devices, 3-phase fan connection

Table of Contents

Other manuals for Siemens SINAMICS DCM

Related product manuals