EasyManua.ls Logo

Siemens SINAMICS DCM - Page 128

Siemens SINAMICS DCM
758 pages
To Next Page IconTo Next Page
To Next Page IconTo Next Page
To Previous Page IconTo Previous Page
To Previous Page IconTo Previous Page
Loading...
Connecting
6.4 Power connections
SINAMICS DCM DC Converter
126 Operating Instructions, 12/2018, A5E34763375A
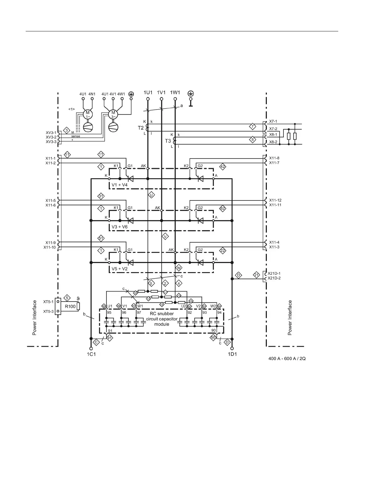
400 to 600 A/2Q devices
6RA8081-6DS22-0AA0, 6RA8081-6GS22-0AA0, 6RA8082-6FS22-0AA0,
6RA8085-6DS22-0AA0, 6RA8085-6FS22-0AA0, 6RA8085-6GS22-0AA0
<1> Fan with single-phase connection for devices with option L21
a = 30 x 5 mm, b = 35 x 5 mm
Figure 6-27 Power connections for 400 to 600 A/2Q devices

Table of Contents

Other manuals for Siemens SINAMICS DCM

Related product manuals